您好!欢迎访问「常州高可智能科技有限公司」网站!

NTN M5313UX轴承尺寸、参数、图纸、互换、价格

NTN M5313UX轴承

更新时间:2026.04.26

轴承型号:M5313UX,带保持架和滚子的外圈,一边带加强筋&一边带挡圈,其基础型号为5313,前缀列表:【M:NTN BOWER产品,标准公制尺寸系列】,后缀列表:【U:外环内径上带一个挡边和一个挡圈】【X:X-Bar复合钢保持架】

技术研究
技术研究 如您是工程师,需要对轴承进行研究、计算、选型等,都可以直接联系我,微信:caloc-cn。
产品咨询
产品咨询 如您对产品有任何需求,包括询价、采买以及替换等,都可以直接联系我,联系方式如下。
在线咨询咨询热线
138 6103 7112
电话咨询电话/微信(长按复制)
13504113081

NTN M5313UX轴承代号说明

M
5
3
1
3
U
X
M:NTN BOWER产品,标准公制尺寸系列
5:宽度系列:05系列
3:尺寸系列:03系列
13:内径:65 mm
U:外环内径上带一个挡边和一个挡圈
X:X-Bar复合钢保持架
M:
NTN BOWER产品,标准公制尺寸系列
5:
宽度系列:05系列
3:
尺寸系列:03系列
13:
内径:65 mm
U:
外环内径上带一个挡边和一个挡圈
X:
X-Bar复合钢保持架

NTN M5313UX轴承技术规格

类型 带滚子的外圈
内孔型式 圆柱孔
材质 硬化合金钢
保持架材质 X-Bar复合钢
结构 单列
公差 ISO Class 0(RBEC 1)
注油孔 不带注油孔
径向游隙 CN
基本额定静载荷 101000 lbf
450000 N
450.00 kN
基本额定动载荷 74000 lbf
330000 N
330.00 kN
附件 开式
应用温度范围 -40 to 250 ºF
-40 to 120 ºC

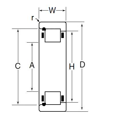
NTN M5313UX轴承尺寸规格

带保持架和滚子的外圈,一边带加强筋&一边带挡圈 - 尺寸
A 3.2941 in
83.670 mm
D 5.5118 in
140.000 mm
C 4.5150 in
114.680 mm
W 2.3125 in
58.738 mm
r 0.0799 in
2.030 mm
H 4.5150 in
114.680 mm
NTN M5313UX轴承图纸
尺寸图
轴承推荐