您好!欢迎访问「常州高可智能科技有限公司」网站!

NTN ARFU-2S轴承尺寸、参数、图纸、互换、价格

NTN ARFU-2S轴承

更新时间:2026.04.26

轴承型号:ARFU-2S,超一流四螺栓法兰式轴承座带紧定螺钉,ARFU型

技术研究
技术研究 如您是工程师,需要对轴承进行研究、计算、选型等,都可以直接联系我,微信:caloc-cn。
产品咨询
产品咨询 如您对产品有任何需求,包括询价、采买以及替换等,都可以直接联系我,联系方式如下。
在线咨询咨询热线
138 6103 7112
电话咨询电话/微信(长按复制)
13504113081

NTN ARFU-2S轴承技术规格

类型 四螺栓方形法兰式轴承座
轴承类型 滚珠轴承
锁紧装置 紧定螺钉
密封型式 接触式
密封圈材质 丁腈橡胶
轴承型号 A-AR210-200D1
轴承座型号 FU210D1V50
壳体材质 铸铁
壳体铸造型式 一体成型
端盖类型 开式
表面涂层 黑色氧化物
性能 轻型
基本额定动载荷 7900 lbf
35100 N
35.10 kN
基本额定静载荷 5200 lbf
23100 N
23.10 kN
最大拧紧力矩 69磅·英寸
重量 5.952 lb
2.700 kg
应用温度范围 -40 to 250 ºF
-40 to 120 ºC
润滑方式 可再润滑

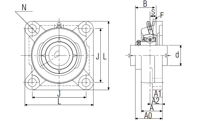
NTN ARFU-2S轴承尺寸规格

超一流四螺栓法兰式轴承座带紧定螺钉,ARFU型 - 尺寸
d 2 in
50.800 mm
L 5.6563 in
143.7 mm
J 4.3750 in
111.1 mm
A 1.8125 in
46.0 mm
A0 2.3594 in
59.900 mm
A1 0.7813 in
19.8 mm
A2 1.1094 in
28.2 mm
N 0.6719 in
17.1 mm
B 1.6929 in
43.000 mm
S 0.4330 in
10.998 mm
F 0.1693 in
4.300 mm

NTN ARFU-2S轴承相关配件/适用型号

A-AR210-200D1 详细尺寸,d:50.8mm,dD:90mm,c:21.999mm,b:43mm,r:1.499mm
NTN ARFU-2S轴承图纸
尺寸图
轴承推荐