您好!欢迎访问「常州高可智能科技有限公司」网站!

NTN A-AR210-200D1轴承尺寸、参数、图纸、互换、价格

NTN A-AR210-200D1轴承

更新时间:2026.04.26

轴承型号:A-AR210-200D1,超一流带紧定螺钉的外球面轴承,狭窄内圈 - 球面外圈,其基础型号为210-200,前缀列表:【A-:从非锁定机构侧进行润滑】【AR:窄内圈,紧定螺钉式】,后缀列表:【D1:带油槽油孔,可再润滑】

技术研究
技术研究 如您是工程师,需要对轴承进行研究、计算、选型等,都可以直接联系我,微信:caloc-cn。
产品咨询
产品咨询 如您对产品有任何需求,包括询价、采买以及替换等,都可以直接联系我,联系方式如下。
在线咨询咨询热线
138 6103 7112
电话咨询电话/微信(长按复制)
13504113081

NTN A-AR210-200D1轴承代号说明

A
-
A
R
2
1
0
-
2
0
0
D
1
A-:从非锁定机构侧进行润滑
AR:窄内圈,紧定螺钉式
2:系列:轻型承重
10:内径系列:50 mm 系列
-:内径分隔符
200:内径:2 in
D1:带油槽油孔,可再润滑
A-:
从非锁定机构侧进行润滑
AR:
窄内圈,紧定螺钉式
2:
系列:轻型承重
10:
内径系列:50 mm 系列
-:
内径分隔符
200:
内径:2 in
D1:
带油槽油孔,可再润滑

NTN A-AR210-200D1轴承技术规格

类型 外球面轴承
内孔型式 圆柱孔
轴承类型 滚珠轴承
材质 黑色氧化物
滚珠材质
密封型式 接触式
密封圈材质 丁腈橡胶
精度等级 ISO Class 0
性能 标准
锁紧装置 紧定螺钉
润滑方式 可再润滑
基础外圈型号 210
基本额定静载荷 5200 lbf
23100 N
23.10 kN
基本额定动载荷 7900 lbf
35100 N
35.10 kN
附件 双面密封
应用温度范围 -40 to 250 ºF
-40 to 120 ºC

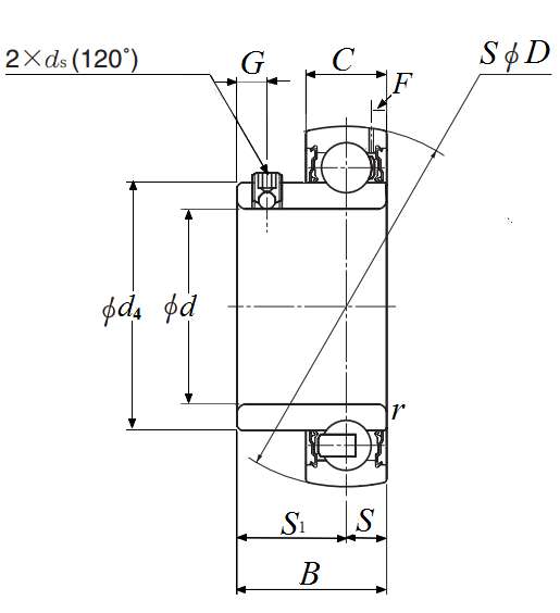
NTN A-AR210-200D1轴承尺寸规格

超一流带紧定螺钉的外球面轴承,狭窄内圈 - 球面外圈 - 尺寸
d 2 in
50.800 mm
D 3.5433 in
90.000 mm
C 0.8661 in
21.999 mm
B 1.6929 in
43.000 mm
r 0.0590 in
1.499 mm
ds 5/16-24 UNF
G 0.3540 in
8.992 mm
S1 1.2600 in
32.004 mm
S 0.4330 in
10.998 mm
F 0.1693 in
4.300 mm

NTN A-AR210-200D1轴承相关配件/适用型号

ARP-2S 详细尺寸,d:50.8mm,h:57.2mm,b:60.3mm,j:158mm,2b:114.3mm,r:206.4mm
ARFLU-2S 详细尺寸,d:50.8mm,h:189.7mm,b:46mm,j:157.2mm,r:115.9mm
ARFU-2S 详细尺寸,d:50.8mm,c:19.8mm,b:46mm,j:111.1mm,r:143.7mm
NTN A-AR210-200D1轴承图纸
尺寸图
轴承推荐