您好!欢迎访问「常州高可智能科技有限公司」网站!

NTN UCC321D1轴承尺寸、参数、图纸、互换、价格

NTN UCC321D1轴承

更新时间:2026.04.26

轴承型号:UCC321D1,环形轴承座,铸造外壳,带紧定螺钉,UCC型

技术研究
技术研究 如您是工程师,需要对轴承进行研究、计算、选型等,都可以直接联系我,微信:caloc-cn。
产品咨询
产品咨询 如您对产品有任何需求,包括询价、采买以及替换等,都可以直接联系我,联系方式如下。
在线咨询咨询热线
138 6103 7112
电话咨询电话/微信(长按复制)
13504113081

NTN UCC321D1轴承技术规格

类型 圆柱环形轴承座
轴承类型 滚珠轴承
锁紧装置 紧定螺钉
密封型式 接触式
轴承型号 UC321D1
轴承座型号 C321D1
轴承材质 淬透钢
壳体材质 铸铁
性能 重型
基本额定动载荷 41500 lbf
184000 N
184.00 kN
基本额定静载荷 34500 lbf
153000 N
153.00 kN
极限转速 1400转/分钟
重量 41.890 lb
19.000 kg
应用温度范围 -40 to 250 ºF
-40 to 120 ºC
润滑方式 可再润滑

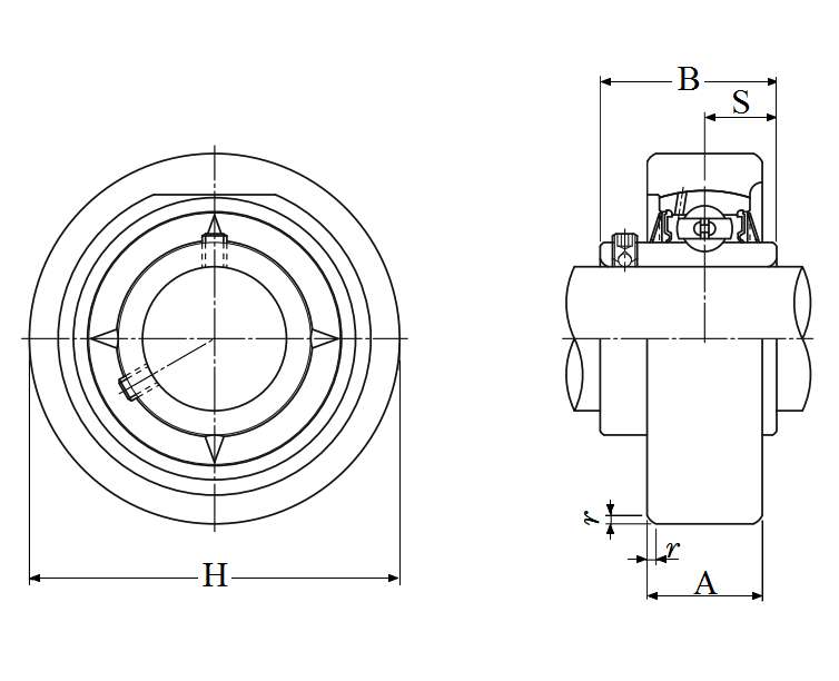
NTN UCC321D1轴承尺寸规格

环形轴承座,铸造外壳,带紧定螺钉,UCC型 - 尺寸
d 4.1339 in
105.000 mm
A 2.9528 in
75.0 mm
H 10.2362 in
260.0 mm
r 0.1575 in
4.0 mm
B 4.4094 in
112.000 mm
S 1.7323 in
44.000 mm
F 0.5472 in
13.900 mm

NTN UCC321D1轴承相关配件/适用型号

UC321D1 详细尺寸,d:105mm,dD:225mm,c:57mm,b:112mm,r:3mm
NTN UCC321D1轴承图纸
尺寸图
轴承推荐