您好!欢迎访问「常州高可智能科技有限公司」网站!

NTN SM-UCTX05-014D1轴承尺寸、参数、图纸、互换、价格

NTN SM-UCTX05-014D1轴承

更新时间:2026.04.26

轴承型号:SM-UCTX05-014D1,滑块式轴承座,铸造外壳,带紧定螺钉,压制钢防尘盖,封闭端盖,UCT型

技术研究
技术研究 如您是工程师,需要对轴承进行研究、计算、选型等,都可以直接联系我,微信:caloc-cn。
产品咨询
产品咨询 如您对产品有任何需求,包括询价、采买以及替换等,都可以直接联系我,联系方式如下。
在线咨询咨询热线
138 6103 7112
电话咨询电话/微信(长按复制)
13504113081

NTN SM-UCTX05-014D1轴承技术规格

类型 滑块式轴承座
轴承类型 滚珠轴承
锁紧装置 紧定螺钉
密封型式 接触式
密封圈材质 丁腈橡胶
轴承型号 UCX05-014D1
轴承座型号 TX05D1
壳体材质 铸铁
性能 中型
基本额定动载荷 4400 lbf
19500 N
19.50 kN
基本额定静载荷 2540 lbf
11300 N
11.30 kN
重量 3.300 lb
1.500 kg
应用温度范围 -40 to 250 ºF
-40 to 120 ºC
润滑方式 可再润滑

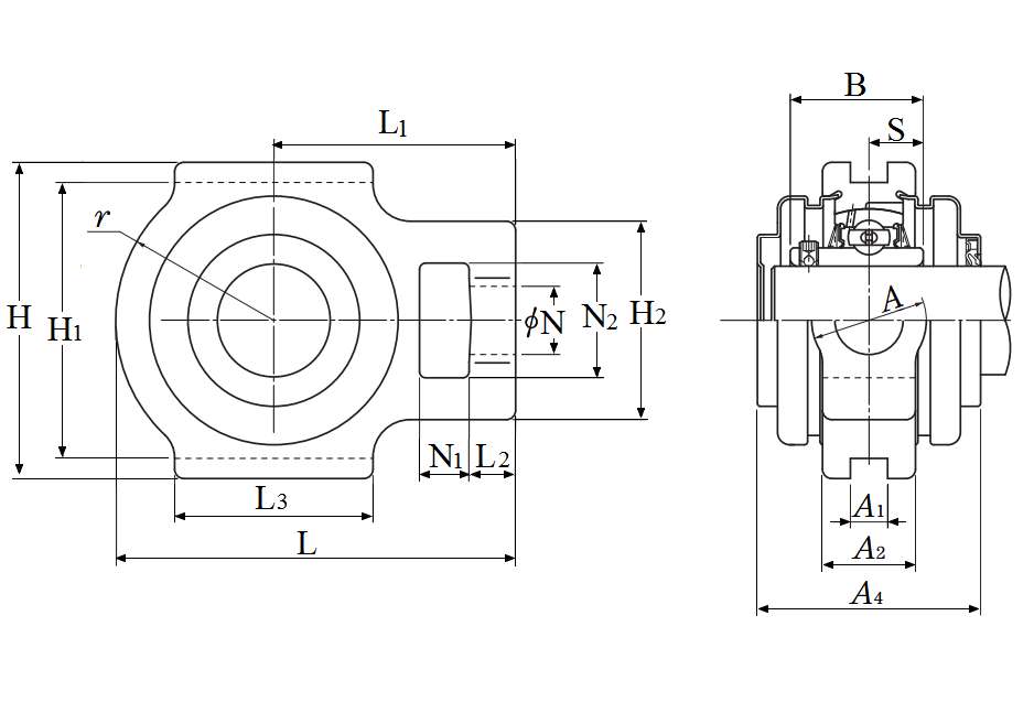
NTN SM-UCTX05-014D1轴承尺寸规格

滑块式轴承座,铸造外壳,带紧定螺钉,压制钢防尘盖,封闭端盖,UCT型 - 尺寸
d 0.8750 in
22.225 mm
L 4.4375 in
113.0 mm
H 4.0313 in
102.0 mm
A4 2.4375 in
62.000 mm
H1 3.5000 in
89.0 mm
H2 2.2187 in
56.0 mm
L1 2.7500 in
70.0 mm
L2 0.4687 in
12.0 mm
L3 2.2500 in
57.0 mm
N 0.8750 in
22.0 mm
N1 0.6250 in
16.0 mm
N2 1.4687 in
37.0 mm
A 1.4687 in
37.0 mm
A1 0.4724 in
12.0 mm
A2 1.0937 in
28.0 mm
r 1.6875 in
43.0 mm
B 1.5000 in
38.100 mm
S 0.6260 in
15.900 mm
F 0.1811 in
4.600 mm

NTN SM-UCTX05-014D1轴承相关配件/适用型号

UCX05-014D1 详细尺寸,d:22.225mm,dD:62mm,c:19mm,b:38.1mm,r:1mm
NTN SM-UCTX05-014D1轴承图纸
尺寸图
轴承推荐