您好!欢迎访问「常州高可智能科技有限公司」网站!

NTN S-UCTX09-111D1轴承尺寸、参数、图纸、互换、价格

NTN S-UCTX09-111D1轴承

更新时间:2026.04.26

轴承型号:S-UCTX09-111D1,1830

技术研究
技术研究 如您是工程师,需要对轴承进行研究、计算、选型等,都可以直接联系我,微信:caloc-cn。
产品咨询
产品咨询 如您对产品有任何需求,包括询价、采买以及替换等,都可以直接联系我,联系方式如下。
在线咨询咨询热线
138 6103 7112
电话咨询电话/微信(长按复制)
13504113081

NTN S-UCTX09-111D1轴承技术规格

类型 滑块式轴承座
轴承类型 滚珠轴承
锁紧装置 紧定螺钉
密封型式 接触式
密封圈材质 丁腈橡胶
轴承型号 UCX09-111D1
轴承座型号 TX09D1
壳体材质 铸铁
性能 中型
基本额定动载荷 7850 lbf
35000 N
35.00 kN
基本额定静载荷 5200 lbf
23200 N
23.20 kN
重量 6.600 lb
3.000 kg
应用温度范围 -40 to 250 ºF
-40 to 120 ºC
润滑方式 可再润滑

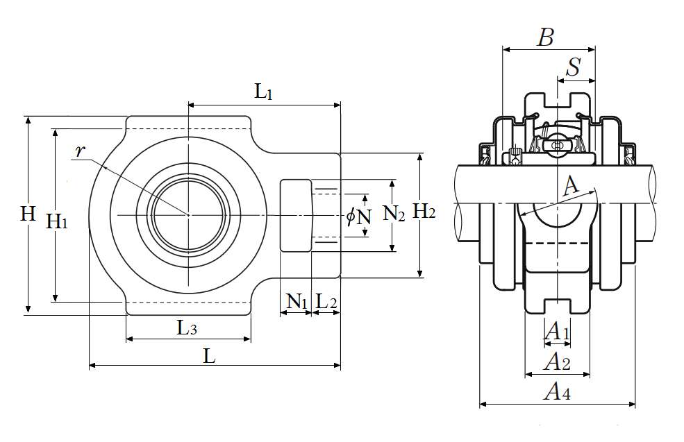
NTN S-UCTX09-111D1轴承尺寸规格

滑块式轴承座,铸造外壳,带紧定螺钉,压制钢防尘盖,开式端盖,UCT型 - 尺寸
d 1.6875 in
42.863 mm
L 5.9375 in
151.0 mm
H 4.5937 in
117.0 mm
A4 3.4375 in
87.000 mm
H1 4.0156 in
102.0 mm
H2 3.2812 in
83.0 mm
L1 3.6250 in
92.0 mm
L2 0.7187 in
18.0 mm
L3 3.3750 in
86.0 mm
N 1.1562 in
29.0 mm
N1 0.7500 in
19.0 mm
N2 1.9375 in
49.0 mm
A 1.9375 in
49.0 mm
A1 0.6299 in
16.0 mm
A2 1.5000 in
38.0 mm
r 2.3125 in
59.0 mm
B 2.0315 in
51.600 mm
S 0.7480 in
19.000 mm
F 0.2323 in
5.900 mm

NTN S-UCTX09-111D1轴承相关配件/适用型号

UCX09-111D1 详细尺寸,d:42.863mm,dD:90mm,c:25mm,b:51.6mm,r:1.5mm
NTN S-UCTX09-111D1轴承图纸
尺寸图
轴承推荐