您好!欢迎访问「常州高可智能科技有限公司」网站!

NTN AC-6005LLB轴承尺寸、参数、图纸、互换、价格

NTN AC-6005LLB轴承

更新时间:2026.04.26

轴承型号:AC-6005LLB,AC轴承 - 双面密封(非接触式橡胶密封),其基础型号为6005,前缀列表:【AC-:防蠕变轴承】,后缀列表:【LLB:双面非接触式密封】

技术研究
技术研究 如您是工程师,需要对轴承进行研究、计算、选型等,都可以直接联系我,微信:caloc-cn。
产品咨询
产品咨询 如您对产品有任何需求,包括询价、采买以及替换等,都可以直接联系我,联系方式如下。
在线咨询咨询热线
138 6103 7112
电话咨询电话/微信(长按复制)
13504113081

NTN AC-6005LLB轴承代号说明

A
C
-
6
0
0
5
L
L
B
AC-:防蠕变轴承
6:深沟球轴承
0:尺寸系列:10系列
05:内径:25 mm
LLB:双面非接触式密封
AC-:
防蠕变轴承
6:
深沟球轴承
0:
尺寸系列:10系列
05:
内径:25 mm
LLB:
双面非接触式密封

NTN AC-6005LLB轴承技术规格

类型 滚珠轴承
内孔型式 圆柱孔
材质 高碳铬钢
保持架型式 压制
保持架材质
极限转速-脂润滑 15000转/分钟
精度 Class 0
结构 单列
系数 14.5
径向游隙 CN
基本额定静载荷 5850 lbf
5850 N
5.85 kN
基本额定动载荷 2510 lbf
11200 N
11.20 kN
附件 双面密封
重量 0.172 lb
0.078 kg
应用温度范围 -40 to 250 ºF
-40 to 120 ºC

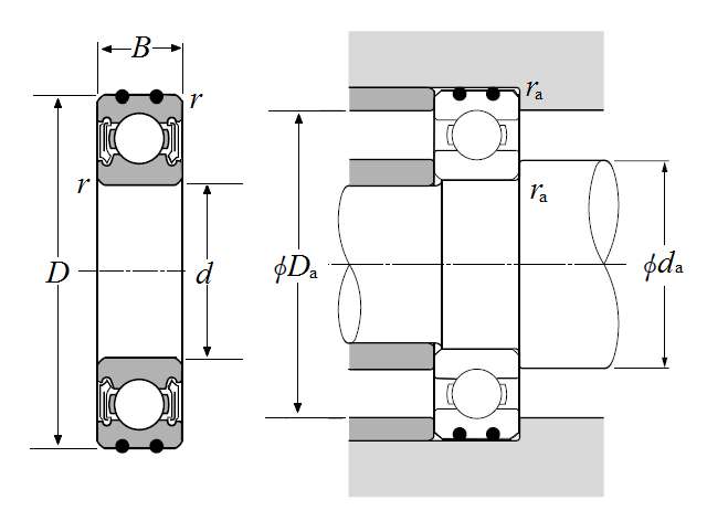
NTN AC-6005LLB轴承尺寸规格

AC轴承 - 双面密封(非接触式橡胶密封) - 尺寸
d 0.9843 in
25.000 mm
D 1.8504 in
47.000 mm
B 0.4724 in
12.000 mm
r 0.0236 in
0.600 mm
da min 1.1417 in
29.000 mm
da max 1.2008 in
30.500 mm
Da max 1.6929 in
43.000 mm
ras max 0.0236 in
0.600 mm
NTN AC-6005LLB轴承图纸
尺寸图
轴承推荐