您好!欢迎访问「常州高可智能科技有限公司」网站!

NTN QJ305T2XC3轴承尺寸、参数、图纸、互换、价格

NTN QJ305T2XC3轴承

更新时间:2026.04.26

轴承型号:QJ305T2XC3,四点接触球轴承,其基础型号为305,前缀列表:【QJ:四点接触球轴承】,后缀列表:【T2X:25%玻璃纤维增强聚酰胺保持架】【C3:C3游隙】

技术研究
技术研究 如您是工程师,需要对轴承进行研究、计算、选型等,都可以直接联系我,微信:caloc-cn。
产品咨询
产品咨询 如您对产品有任何需求,包括询价、采买以及替换等,都可以直接联系我,联系方式如下。
在线咨询咨询热线
138 6103 7112
电话咨询电话/微信(长按复制)
13504113081

NTN QJ305T2XC3轴承代号说明

Q
J
3
0
5
T
2
X
C
3
QJ:四点接触球轴承
3:尺寸系列:03系列
05:内径:25 mm
T2X:25%玻璃纤维增强聚酰胺保持架
C3:C3游隙
QJ:
四点接触球轴承
3:
尺寸系列:03系列
05:
内径:25 mm
T2X:
25%玻璃纤维增强聚酰胺保持架
C3:
C3游隙

NTN QJ305T2XC3轴承技术规格

类型 四点接触球轴承
内孔型式 圆柱孔
材质 高碳铬钢
保持架型式 玻璃纤维增强
保持架材质 尼龙
滚珠材质
精度 Class 0
结构 单列
接触角 30 º
径向游隙 C3
基本额定静载荷 9800 lbf
43500 N
43.50 kN
基本额定动载荷 7300 lbf
32500 N
32.50 kN
附件 开式
重量 0.536 lb
0.243 kg
应用温度范围 -40 to 250 ºF
-40 to 120 ºC

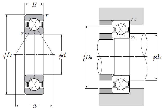
NTN QJ305T2XC3轴承尺寸规格

四点接触球轴承 - 尺寸
d 0.9843 in
25.000 mm
D 2.4409 in
62.000 mm
B 0.6693 in
17.000 mm
r 0.0433 in
1.100 mm
NTN QJ305T2XC3轴承图纸
尺寸图
轴承推荐