您好!欢迎访问「常州高可智能科技有限公司」网站!

NTN NH317E轴承尺寸、参数、图纸、互换、价格

NTN NH317E轴承

更新时间:2026.04.26

轴承型号:NH317E,圆柱滚子轴承带单挡边内圈带外圈&滚子组件,斜挡圈 - NH系列,其基础型号为317,前缀列表:【NH:外圈双挡边,内圈单挡边,另一侧带L型斜挡圈】,后缀列表:【E:内部设计变更,更大的滚子】

技术研究
技术研究 如您是工程师,需要对轴承进行研究、计算、选型等,都可以直接联系我,微信:caloc-cn。
产品咨询
产品咨询 如您对产品有任何需求,包括询价、采买以及替换等,都可以直接联系我,联系方式如下。
在线咨询咨询热线
138 6103 7112
电话咨询电话/微信(长按复制)
13504113081

NTN NH317E轴承代号说明

N
H
3
1
7
E
NH:外圈双挡边,内圈单挡边,另一侧带L型斜挡圈
3:尺寸系列:03系列
17:内径:85 mm
E:内部设计变更,更大的滚子
NH:
外圈双挡边,内圈单挡边,另一侧带L型斜挡圈
3:
尺寸系列:03系列
17:
内径:85 mm
E:
内部设计变更,更大的滚子

NTN NH317E轴承技术规格

类型 圆柱滚子轴承
内孔型式 圆柱孔
材质 硬化合金钢
保持架材质 高强度,机加工黄铜,无铆钉,带方孔
结构 单列
公差 ISO Class 0(RBEC 1)
注油孔 不带注油孔
径向游隙 CN
基本额定静载荷 74000 lbf
330000 N
330.00 kN
基本额定动载荷 65500 lbf
291000 N
291.00 kN
附件 开式
应用温度范围 -40 to 250 ºF
-40 to 120 ºC

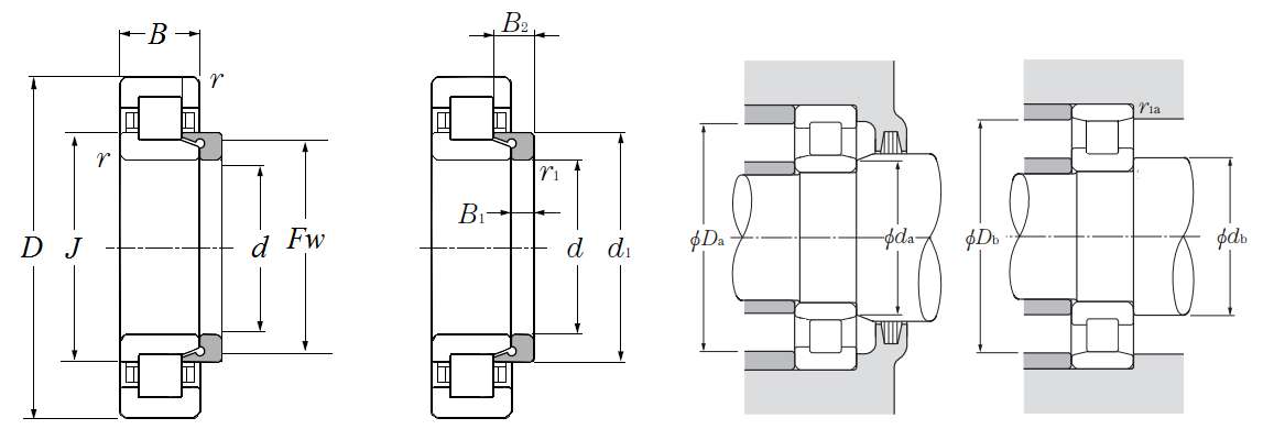
NTN NH317E轴承尺寸规格

圆柱滚子轴承带单挡边内圈带外圈&滚子组件,斜挡圈 - NH系列 - 尺寸
d 3.3465 in
85.000 mm
D 7.0866 in
180.000 mm
B 1.6142 in
41.000 mm
Fw 4.2520 in
108.000 mm
d1 4.6614 in
118.400 mm
B1 0.4724 in
12.000 mm
B2 0.7283 in
18.500 mm
J 4.6260 in
117.500 mm
r 0.1181 in
3.000 mm
r1 0.1181 in
3.000 mm
da min 3.8583 in
98.000 mm
Da max 6.5748 in
167.000 mm
NTN NH317E轴承图纸
尺寸图
轴承推荐