您好!欢迎访问「常州高可智能科技有限公司」网站!

NTN NA49/32S轴承尺寸、参数、图纸、互换、价格

NTN NA49/32S轴承

更新时间:2026.04.26

轴承型号:NA49/32S,游隙可调滚针轴承带内圈

技术研究
技术研究 如您是工程师,需要对轴承进行研究、计算、选型等,都可以直接联系我,微信:caloc-cn。
产品咨询
产品咨询 如您对产品有任何需求,包括询价、采买以及替换等,都可以直接联系我,联系方式如下。
在线咨询咨询热线
138 6103 7112
电话咨询电话/微信(长按复制)
13504113081

NTN NA49/32S轴承技术规格

类型 游隙可调滚针轴承
内孔型式 圆柱孔
材质 高碳铬钢
保持架材质
极限转速-油润滑 10000转/分钟
极限转速-脂润滑 6700转/分钟
精度 ISO Class 0
结构 单列
附件 开式
轴承设计型式 带内圈
注油孔 带注油孔
径向游隙 CN
基本额定静载荷 6250 lbf
27800 N
27.80 kN
基本额定动载荷 3950 lbf
17600 N
17.60 kN
重量 0.346 lb
0.157 kg
应用温度范围 -40 to 250 ºF
-40 to 120 ºC

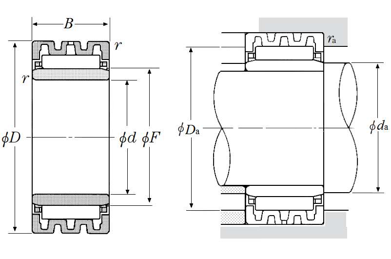
NTN NA49/32S轴承尺寸规格

游隙可调滚针轴承带内圈 - 尺寸
d 1.2598 in
32.000 mm
D 2.0472 in
52.000 mm
F 1.5748 in
40.000 mm
B 0.7874 in
20.000 mm
r 0.0236 in
0.600 mm
da min 1.4173 in
36.000 mm
Da max 1.8110 in
46.000 mm
ras max 0.0236 in
0.600 mm
NTN NA49/32S轴承图纸
尺寸图
轴承推荐