您好!欢迎访问「常州高可智能科技有限公司」网站!

NTN JELFU-2轴承尺寸、参数、图纸、互换、价格

NTN JELFU-2轴承

更新时间:2026.04.26

轴承型号:JELFU-2,超一流四螺栓法兰式轴承座,偏心锁紧,JELFU型

技术研究
技术研究 如您是工程师,需要对轴承进行研究、计算、选型等,都可以直接联系我,微信:caloc-cn。
产品咨询
产品咨询 如您对产品有任何需求,包括询价、采买以及替换等,都可以直接联系我,联系方式如下。
在线咨询咨询热线
138 6103 7112
电话咨询电话/微信(长按复制)
13504113081

NTN JELFU-2轴承技术规格

类型 四螺栓方形法兰式轴承座
轴承类型 滚珠轴承
锁紧装置 偏心锁紧套
密封型式 接触式
密封圈材质 丁腈橡胶
轴承型号 A-JEL211-200D1
轴承座型号 FU211D1V50
壳体材质 铸铁
壳体铸造型式 一体成型
端盖类型 开式
表面涂层 黑色氧化物
性能 轻型
基本额定动载荷 9750 lbf
43500 N
43.50 kN
基本额定静载荷 6550 lbf
29200 N
29.20 kN
最大拧紧力矩 173磅·英寸
极限转速 2900转/分钟
重量 8.532 lb
3.870 kg
应用温度范围 -40 to 250 ºF
-40 to 120 ºC
润滑方式 可再润滑

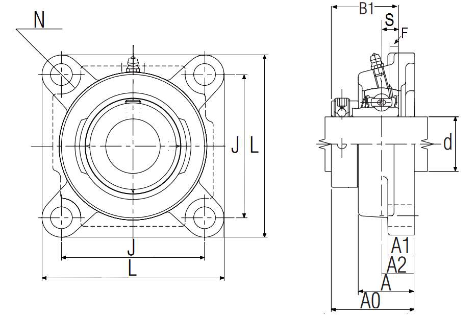
NTN JELFU-2轴承尺寸规格

超一流四螺栓法兰式轴承座,偏心锁紧,JELFU型 - 尺寸
d 2 in
50.800 mm
L 6.4063 in
162.7 mm
J 5.1250 in
130.2 mm
A 1.9375 in
49.2 mm
A0 2.6563 in
67.500 mm
A1 0.8125 in
20.6 mm
A2 1.2188 in
31.0 mm
N 0.6719 in
17.1 mm
B1 1.9055 in
48.400 mm
S 0.4724 in
12.000 mm
F 0.1811 in
4.600 mm

NTN JELFU-2轴承相关配件/适用型号

A-JEL211-200D1 详细尺寸,d:50.8mm,dD:100mm,c:24mm,b:48.4mm,r:2mm
NTN JELFU-2轴承图纸
尺寸图
轴承推荐