NTN A-JEL211-200D1轴承尺寸、参数、图纸、互换、价格
NTN A-JEL211-200D1轴承
更新时间:2026.04.26
轴承型号:A-JEL211-200D1,超一流带偏心锁紧套的外球面轴承,狭窄内圈 - 球面外圈,其基础型号为211-200,前缀列表:【A-:从非锁定机构侧进行润滑】【JEL:窄内圈,带偏心锁环】,后缀列表:【D1:带油槽油孔,可再润滑】
技术研究
如您是工程师,需要对轴承进行研究、计算、选型等,都可以直接联系我,微信:caloc-cn。
产品咨询
如您对产品有任何需求,包括询价、采买以及替换等,都可以直接联系我,联系方式如下。
在线咨询咨询热线
138 6103 7112
138 6103 7112
电话咨询电话/微信(长按复制)
13504113081
13504113081
A
-
J
E
L
2
1
1
-
2
0
0
D
1
A-:从非锁定机构侧进行润滑
JEL:窄内圈,带偏心锁环
2:系列:轻型承重
11:内径系列:55 mm 系列
-:内径分隔符
200:内径:2 in
D1:带油槽油孔,可再润滑
A-:
从非锁定机构侧进行润滑
JEL:
窄内圈,带偏心锁环
2:
系列:轻型承重
11:
内径系列:55 mm 系列
-:
内径分隔符
200:
内径:2 in
D1:
带油槽油孔,可再润滑
| 类型 | 外球面轴承 |
| 内孔型式 | 圆柱孔 |
| 轴承类型 | 滚珠轴承 |
| 材质 | 淬透钢 |
| 滚珠材质 | 钢 |
| 极限转速-脂润滑 | 2900转/分钟 |
| 密封型式 | 接触式 |
| 密封圈材质 | 丁腈橡胶 |
| 性能 | 标准 |
| 结构 | 单列 |
| 锁紧装置 | 偏心锁紧套 |
| 锁紧装置型号 | EL211-200 |
| 润滑方式 | 可再润滑 |
| 基础外圈型号 | 211 |
| 径向游隙 | CN |
| 基本额定静载荷 | 6550 lbf 29200 N 29.20 kN |
| 基本额定动载荷 | 9750 lbf 43500 N 43.50 kN |
| 附件 | 双面密封 |
| 应用温度范围 | -40 to 250 ºF -40 to 120 ºC |
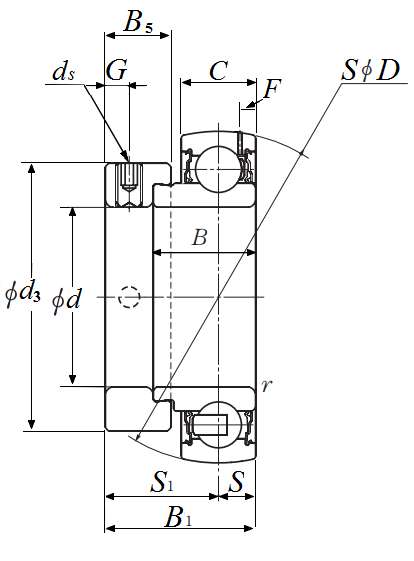
| 超一流带偏心锁紧套的外球面轴承,狭窄内圈 - 球面外圈 - 尺寸 | |
| d | 2 in 50.800 mm |
| D | 3.9370 in 100.000 mm |
| C | 0.9449 in 24.000 mm |
| B | 1.2795 in 32.500 mm |
| B1 | 1.9055 in 48.400 mm |
| r | 0.0787 in 2.000 mm |
| ds | 3/8-24 UNF |
| G | 0.3150 in 8.000 mm |
| d3 | 2.9921 in 76.000 mm |
| B5 | 0.8150 in 20.700 mm |
| S1 | 1.4331 in 36.400 mm |
| S | 0.4724 in 12.000 mm |
| F | 0.1811 in 4.600 mm |
| JELP-2 | 详细尺寸,d:50.8mm,h:63.5mm,b:60.3mm,j:176.2mm,2b:126.2mm,r:219.1mm |
| JELPL-2 | 详细尺寸,d:50.8mm,h:61.9mm,b:60.3mm,j:176.2mm,2b:123.8mm,r:219.1mm |
| JELFLU-2 | 详细尺寸,d:50.8mm,h:216.7mm,b:49.2mm,r:134.1mm |
| JELFU-2 | 详细尺寸,d:50.8mm,c:20.6mm,b:49.2mm,j:130.2mm,r:162.7mm |