您好!欢迎访问「常州高可智能科技有限公司」网站!

NTN HMK1718L轴承尺寸、参数、图纸、互换、价格

NTN HMK1718L轴承

更新时间:2026.04.26

轴承型号:HMK1718L,冲压外圈滚针轴承 - HK,HMK型,单面密封

技术研究
技术研究 如您是工程师,需要对轴承进行研究、计算、选型等,都可以直接联系我,微信:caloc-cn。
产品咨询
产品咨询 如您对产品有任何需求,包括询价、采买以及替换等,都可以直接联系我,联系方式如下。
在线咨询咨询热线
138 6103 7112
电话咨询电话/微信(长按复制)
13504113081

NTN HMK1718L轴承技术规格

类型 冲压外圈滚针轴承
内孔型式 圆柱孔
材质
保持架材质
极限转速-脂润滑 9500转/分钟
密封圈材质 丁腈橡胶
轴承类型 滚针轴承
结构 单列
附件 单面密封
径向游隙 CN
精度 ISO Class 0
注油孔 不带注油孔
基本额定静载荷 3350 lbf
15000 N
15.00 kN
基本额定动载荷 2720 lbf
12100 N
12.10 kN
重量 0.042 lb
0.019 kg
应用温度范围 -40 to 250 ºF
-40 to 120 ºC

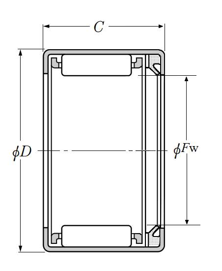
NTN HMK1718L轴承尺寸规格

冲压外圈滚针轴承 - HK,HMK型,单面密封 - 尺寸
Fw 0.6693 in
17.000 mm
D 0.9449 in
24.000 mm
C 0.7087 in
18.000 mm
NTN HMK1718L轴承图纸
尺寸图
轴承推荐