您好!欢迎访问「常州高可智能科技有限公司」网站!

NTN CR28轴承尺寸、参数、图纸、互换、价格

NTN CR28轴承

更新时间:2026.04.26

轴承型号:CR28,凸轮从动螺柱式滚轮轴承 - 球面外圈,CR型

技术研究
技术研究 如您是工程师,需要对轴承进行研究、计算、选型等,都可以直接联系我,微信:caloc-cn。
产品咨询
产品咨询 如您对产品有任何需求,包括询价、采买以及替换等,都可以直接联系我,联系方式如下。
在线咨询咨询热线
138 6103 7112
电话咨询电话/微信(长按复制)
13504113081

NTN CR28轴承技术规格

类型 凸轮从动轴承
材质 淬透钢
螺纹类型 英制
保持架材质 穿孔钢板
极限转速-油润滑 8000转/分钟
极限转速-脂润滑 6000转/分钟
滚子型式 凸度滚子
轴承类型 滚针轴承
外圈类型 球面
附件 开式
驱动装置型式 插入式
结构 单列
扭矩 21.0 lb
·ft92 N
·m
基本额定静载荷 7550 lbf
33500 N
基本额定动载荷 4650 lbf
20700 N
轨道额定载荷 990 lbf
4400 N
重量 0.827 lb
0.375 kg
应用温度范围 -40 to 250 ºF
-40 to 120 ºC

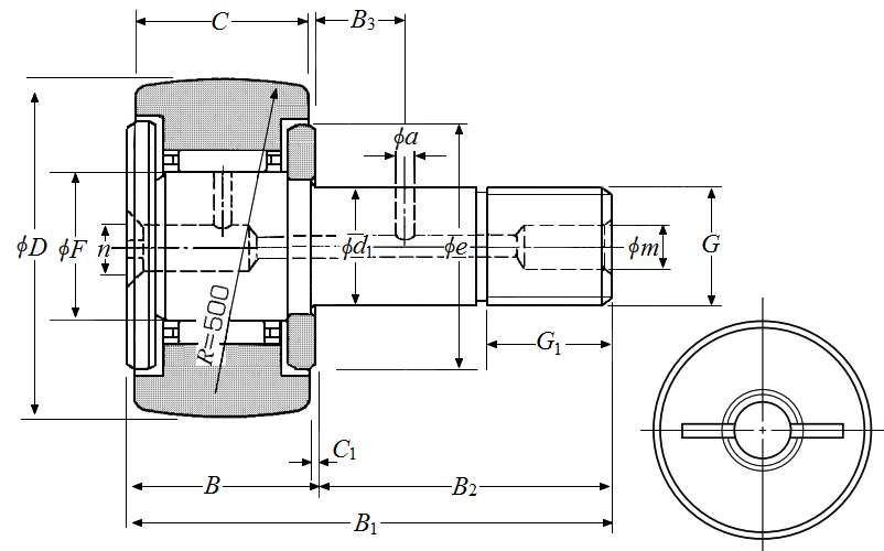
NTN CR28轴承尺寸规格

凸轮从动螺柱式滚轮轴承 - 球面外圈,CR型 - 尺寸
G 3/4-16UNF
B1 2.8110 in
71.400 mm
B2 1.7480 in
44.400 mm
D 1.7500 in
44.450 mm
D公差 0/-0.0020 in
0/-0.050 mm
B 1.0630 in
27.000 mm
C 1.0000 in
25.400 mm
C公差 0/-0.0051 in
0/-0.130 mm
d1 0.7500 in
19.050 mm
d1公差 0.0010/0 in
0.025/0 mm
G1 0.8740 in
22.200 mm
e 1.4370 in
36.500 mm
B3 0.4374 in
11.110 mm
a 0.1575 in
4.000 mm
F 0.9843 in
25.000 mm
C1 0.0315 in
0.800 mm
n 0.2362 in
6.000 mm
m 0.2362 in
6.000 mm
注油嘴尺寸 NIP-B6
NTN CR28轴承图纸
尺寸图
轴承推荐