您好!欢迎访问「常州高可智能科技有限公司」网站!

NTN CM-UCT321D1轴承尺寸、参数、图纸、互换、价格

NTN CM-UCT321D1轴承

更新时间:2026.04.26

轴承型号:CM-UCT321D1,滑块式轴承座,铸造外壳,带紧定螺钉,铸造防尘盖,封闭端盖,UCT型

技术研究
技术研究 如您是工程师,需要对轴承进行研究、计算、选型等,都可以直接联系我,微信:caloc-cn。
产品咨询
产品咨询 如您对产品有任何需求,包括询价、采买以及替换等,都可以直接联系我,联系方式如下。
在线咨询咨询热线
138 6103 7112
电话咨询电话/微信(长按复制)
13504113081

NTN CM-UCT321D1轴承技术规格

类型 滑块式轴承座
轴承类型 滚珠轴承
锁紧装置 紧定螺钉
密封型式 接触式
密封圈材质 丁腈橡胶
轴承型号 UC321D1
轴承座型号 T321D1
壳体材质 铸铁
性能 重型
基本额定动载荷 41500 lbf
184000 N
184.00 kN
基本额定静载荷 34500 lbf
153000 N
153.00 kN
极限转速 1400转/分钟
重量 95.000 lb
43.000 kg
应用温度范围 -40 to 250 ºF
-40 to 120 ºC
润滑方式 可再润滑

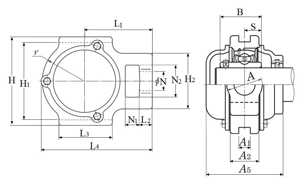
NTN CM-UCT321D1轴承尺寸规格

滑块式轴承座,铸造外壳,带紧定螺钉,铸造防尘盖,封闭端盖,UCT型 - 尺寸
d 4.1339 in
105.000 mm
L 14.1339 in
359.0 mm
H 11.4062 in
290.0 mm
A5 7.6772 in
195.000 mm
H1 10.2344 in
260.0 mm
H2 6.8750 in
175.0 mm
L1 8.3465 in
212.0 mm
L2 1.3437 in
34.0 mm
L3 7.8750 in
200.0 mm
N 2.3125 in
59.0 mm
N1 1.8750 in
48.0 mm
N2 4.5312 in
115.0 mm
A 4.7187 in
120.0 mm
A1 1.3780 in
35.0 mm
A2 2.9375 in
75.0 mm
r 5.3125 in
135.0 mm
B 4.4094 in
112.000 mm
S 1.7323 in
44.000 mm
F 0.5472 in
13.900 mm

NTN CM-UCT321D1轴承相关配件/适用型号

UC321D1 详细尺寸,d:105mm,dD:225mm,c:57mm,b:112mm,r:3mm
NTN CM-UCT321D1轴承图纸
尺寸图
轴承推荐