您好!欢迎访问「常州高可智能科技有限公司」网站!

NTN C-UCFL319D1轴承尺寸、参数、图纸、互换、价格

NTN C-UCFL319D1轴承

更新时间:2026.04.26

轴承型号:C-UCFL319D1,双螺栓菱形法兰式轴承座单元,铸造外壳,带紧定螺钉,铸造防尘盖,开式端盖,UCFL型

技术研究
技术研究 如您是工程师,需要对轴承进行研究、计算、选型等,都可以直接联系我,微信:caloc-cn。
产品咨询
产品咨询 如您对产品有任何需求,包括询价、采买以及替换等,都可以直接联系我,联系方式如下。
在线咨询咨询热线
138 6103 7112
电话咨询电话/微信(长按复制)
13504113081

NTN C-UCFL319D1轴承技术规格

类型 双螺栓菱形法兰式轴承座单元
轴承类型 滚珠轴承
锁紧装置 紧定螺钉
密封型式 接触式
密封圈材质 丁腈橡胶
轴承型号 UC319D1
轴承座型号 FL319D1
壳体材质 铸铁
壳体铸造型式 一体成型
端盖类型 开式
性能 重型
基本额定动载荷 34500 lbf
153000 N
153.00 kN
基本额定静载荷 26800 lbf
119000 N
119.00 kN
极限转速 1500转/分钟
重量 57.000 lb
26.000 kg
应用温度范围 -40 to 250 ºF
-40 to 120 ºC
润滑方式 可再润滑

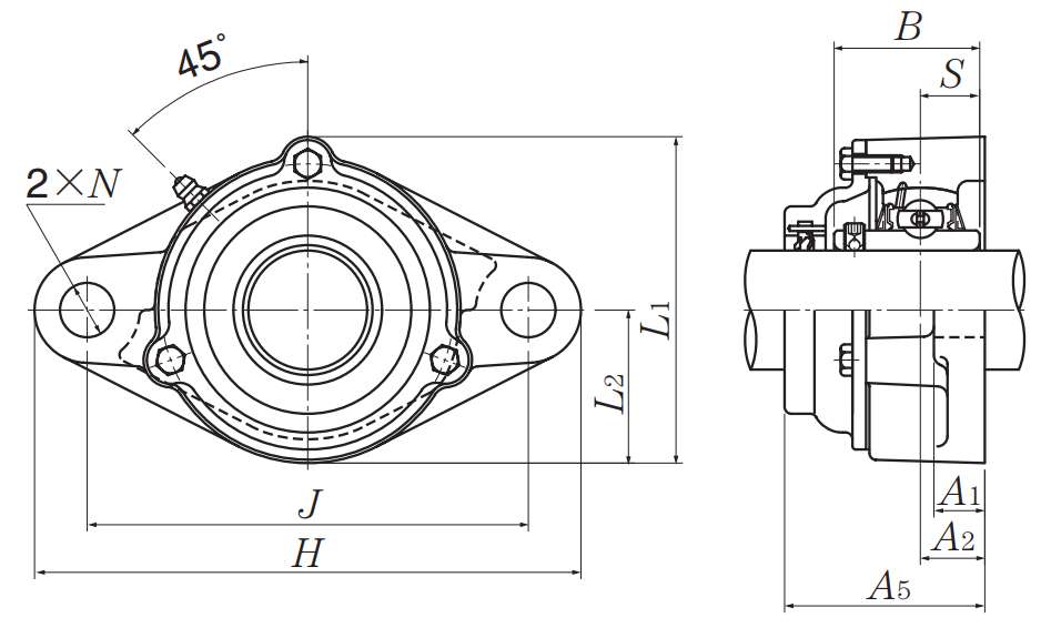
NTN C-UCFL319D1轴承尺寸规格

双螺栓菱形法兰式轴承座单元,带紧定螺钉,铸造防尘盖,开式端盖,UCFL型 - 尺寸
d 3.7402 in
95.000 mm
H 15.9375 in
405.0 mm
L 9.8437 in
250.0 mm
L1 10.2500 in
260.0 mm
L2 4.9062 in
125.0 mm
J 12.9844 in
330.0 mm
A1 1.5625 in
40.0 mm
A2 2.3281 in
59.0 mm
A5 5.8750 in
149.000 mm
N 1.6094 in
41.0 mm
B 4.0551 in
103.000 mm
S 1.6142 in
41.000 mm
F 0.5039 in
12.800 mm

NTN C-UCFL319D1轴承相关配件/适用型号

UC319D1 详细尺寸,d:95mm,dD:200mm,c:51mm,b:103mm,r:3mm
NTN C-UCFL319D1轴承图纸
尺寸图
轴承推荐