您好!欢迎访问「常州高可智能科技有限公司」网站!

NTN ASS202NR轴承尺寸、参数、图纸、互换、价格

NTN ASS202NR轴承

更新时间:2026.04.26

轴承型号:ASS202NR,带紧定螺钉的外球面轴承,狭窄内圈 - 圆柱内径,带止动环,其基础型号为202,前缀列表:【ASS:带紧定螺钉,窄内圈,圆柱外圈】,后缀列表:【NR:带止动环和止动槽】

技术研究
技术研究 如您是工程师,需要对轴承进行研究、计算、选型等,都可以直接联系我,微信:caloc-cn。
产品咨询
产品咨询 如您对产品有任何需求,包括询价、采买以及替换等,都可以直接联系我,联系方式如下。
在线咨询咨询热线
138 6103 7112
电话咨询电话/微信(长按复制)
13504113081

NTN ASS202NR轴承代号说明

A
S
S
2
0
2
N
R
ASS:带紧定螺钉,窄内圈,圆柱外圈
2:系列:轻型承重
02:内径:15 mm
NR:带止动环和止动槽
ASS:
带紧定螺钉,窄内圈,圆柱外圈
2:
系列:轻型承重
02:
内径:15 mm
NR:
带止动环和止动槽

NTN ASS202NR轴承技术规格

类型 外球面轴承
内孔型式 圆柱孔
轴承类型 滚珠轴承
材质 淬透钢
滚珠材质
密封型式 接触式
密封圈材质 丁腈橡胶
性能 标准
锁紧装置 2 -120° 紧定螺钉
润滑方式 不可再润滑
径向游隙 CN
基本额定静载荷 1030 lbf
4600 N
4.60 kN
基本额定动载荷 2160 lbf
9600 N
9.60 kN
附件 双面密封
重量 0.203 lb
0.092 kg
应用温度范围 -40 to 250 ºF
-40 to 120 ºC

NTN ASS202NR轴承尺寸规格

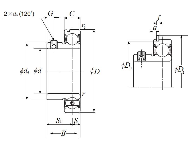
带紧定螺钉的外球面轴承,狭窄内圈 - 圆柱内径,带止动环 - 尺寸
d 0.5906 in
15.000 mm
D 1.5748 in
40.000 mm
C 0.4724 in
12.000 mm
B 0.8661 in
22.000 mm
r 0.0236 in
0.600 mm
r1 0.0236 in
0.600 mm
ds M5x0.8
G 0.1654 in
4.200 mm
d4 0.9567 in
24.300 mm
S1 0.6299 in
16.000 mm
S 0.2362 in
6.000 mm
a 0.0780 in
1.980 mm
f 0.0441 in
1.120 mm
D1 1.5000 in
38.100 mm
D2 1.7559 in
44.600 mm
NTN ASS202NR轴承图纸
尺寸图
轴承推荐