您好!欢迎访问「常州高可智能科技有限公司」网站!

NTN 6808JRLBNRC3轴承尺寸、参数、图纸、互换、价格

NTN 6808JRLBNRC3轴承

更新时间:2026.04.26

轴承型号:6808LBNRC3,单列深沟球轴承 - 单面密封(非接触式橡胶密封)带止动环,其基础型号为6808,后缀列表:【JR:铆接钢保持架】【LB:单面非接触式密封】【NR:带止动环和止动槽】【C3:C3游隙】

技术研究
技术研究 如您是工程师,需要对轴承进行研究、计算、选型等,都可以直接联系我,微信:caloc-cn。
产品咨询
产品咨询 如您对产品有任何需求,包括询价、采买以及替换等,都可以直接联系我,联系方式如下。
在线咨询咨询热线
138 6103 7112
电话咨询电话/微信(长按复制)
13504113081

NTN 6808JRLBNRC3轴承代号说明

6
8
0
8
J
R
L
B
N
R
C
3
6:深沟球轴承
8:尺寸系列:08系列
08:内径:40 mm
JR:铆接钢保持架
LB:单面非接触式密封
NR:带止动环和止动槽
C3:C3游隙
6:
深沟球轴承
8:
尺寸系列:08系列
08:
内径:40 mm
JR:
铆接钢保持架
LB:
单面非接触式密封
NR:
带止动环和止动槽
C3:
C3游隙

NTN 6808JRLBNRC3轴承技术规格

类型 深沟球轴承
内孔型式 圆柱孔
材质 高碳铬钢
保持架型式 压制
保持架材质
滚珠材质
极限转速-油润滑 14000转/分钟
极限转速-脂润滑 12000转/分钟
密封型式 非接触式
密封圈材质 丁腈橡胶
精度 ISO Class 0
结构 单列
系数 16.3
径向游隙 C3
基本额定静载荷 990 lbf
4400 N
4.40 kN
基本额定动载荷 1270 lbf
5650 N
5.65 kN
附件 单面密封
应用温度范围 -40 to 250 ºF
-40 to 120 ºC

NTN 6808JRLBNRC3轴承尺寸规格

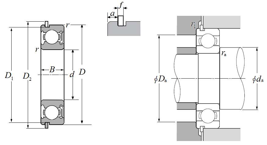
单列深沟球轴承 - 单面密封(非接触式橡胶密封)带止动环 - 尺寸
d 1.5748 in
40.000 mm
D 2.0472 in
52.000 mm
B 0.2756 in
7.000 mm
D1 1.9961 in
50.700 mm
D2 2.1575 in
54.800 mm
a 0.0512 in
1.300 mm
f 0.0335 in
0.850 mm
r 0.0118 in
0.300 mm
r1 0.0118 in
0.300 mm
da min 1.6535 in
42.000 mm
da max 1.6929 in
43.000 mm
Da max 1.9685 in
50.000 mm
ras max 0.0118 in
0.300 mm
NTN 6808JRLBNRC3轴承图纸
尺寸图
轴承推荐