INA YRTCM260-XL轴承尺寸、参数、图纸、互换、价格
INA YRTCM260-XL轴承
更新日期:2025-03-13 20:12:31
市场价:¥70900.19元
销售价:电话咨询
库存:1套
INA YRTCM260-XL轴承属于轴向/径向轴承,双向,螺钉安装,带综合测角系统。
前缀列表:【YRTC:圆柱滚子与双向推力圆柱滚子组合轴承(转台轴承)】【M:带有磁栅,带集成角度测量系统】。后缀列表:【-XL:X-life 长寿命轴承标记】。
技术研究
如您是工程师,需要对轴承进行研究、计算、选型等,都可以直接联系我,微信:caloc-cn。
产品咨询
如您对产品有任何需求,包括询价、采买以及替换等,都可以直接联系我,联系方式如下。
在线咨询咨询热线
138 6103 7112
138 6103 7112
电话咨询电话/微信(长按复制)
13504113081
13504113081
Y
R
T
C
M
2
6
0
-
X
L
YRTC:圆柱滚子与双向推力圆柱滚子组合轴承(转台轴承)
M:带有磁栅,带集成角度测量系统
260:内径代号,内径:260 mm
-XL:X-life 长寿命轴承标记
YRTC:
圆柱滚子与双向推力圆柱滚子组合轴承(转台轴承)
M:
带有磁栅,带集成角度测量系统
260:
内径代号,内径:260 mm
-XL:
X-life 长寿命轴承标记
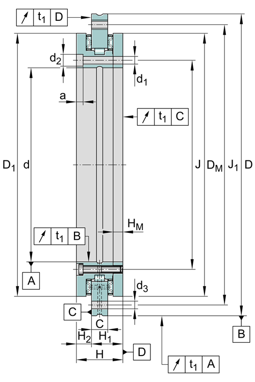
| 主要尺寸&性能数据 | ||
| d | 260 mm | 内径 |
| 0 mm | 内径上公差 | |
| -0.018 mm | 内径下公差 | |
| D | 385 mm | 外径 |
| 0 mm | 外径上公差 | |
| -0.02 mm | 外径下公差 | |
| H | 55 mm | 高度 |
| Cr | 140,000 N | 径向额定动载荷 |
| C0r | 355,000 N | 径向额定静载荷 |
| Ca | 168,000 N | 基本额定动载荷,轴向 |
| C0a | 1,090,000 N | 基本额定静载荷,轴向 |
| nG | 300 1/min | 极限转速 |
| MR | 9 Nm | 5 1/min时的轴承摩擦力矩 |
| 17.8 kg | 重量 | |
| 尺寸参数 | ||
| H1 | 36.5 mm | 接触面外圈高度 |
| 0.04 mm | 接触面外圆高度H1上公差 | |
| -0.04 mm | 接触面外圆高度H1下公差 | |
| H2 | 18.5 mm | 接触面外圈高度 |
| 0.025 mm | 接触面外圆高度H2上公差 | |
| -0.025 mm | 接触面外圆高度H2下公差 | |
| HM | 13.5 mm | 轴垫圈高度 |
| D1 max | 347 mm | 内圈最大外径 |
| DM | 343.69 mm | 轴定位垫圈上尺寸刻度的直径 |
| C | 18 mm | 外圈宽度 |
| 安装参数 | ||
| J | 280 mm | 内圈固定孔节圆直径 |
| J1 | 365 mm | 外圈固定孔节圆直径 |
| d1 | 9.3 mm | 内圈固定孔直径 |
| d2 | 15 mm | 固定孔的沉头孔径 |
| a | 8.2 mm | 固定孔的沉头孔深度 |
| 34 | 内圈固定孔数量 | |
| d3 | 9.3 mm | 外圈固定孔直径 |
| 33 | 外圈固定孔数量 | |
| n | 36 | 倾斜量 |
| t | 10 ° | 倾斜分离角 |
| G | M12 | 螺纹抽汽孔 |
| 3 | 螺纹抽汽孔数量 | |
| MA | 34 Nm | 螺钉拧紧力矩 |
| 2 | 固定螺钉的数量 | |
| t1 | 6 µm | 轴向和径向跳动,测量标准;在安装的轴承上测量,具有理想的相邻结构。 |
| 工作温度 | ||
| Tmin | -30 °C | 最低工作温度 |
| Tmax | 120 °C | 最高工作温度 |
| 附加附件 | ||
| caL | 6,900 N/µm | 轴承轴向刚度 |
| crL | 5,300 N/µm | 轴承径向刚度 |
| ckL | 104,000 Nm/mrad | 轴承倾斜刚度 |
| caL | 19,000 N/µm | 滚动元件组的轴向刚度 |
| crL | 8,100 N/µm | 滚动元件组的径向刚度 |
| ckL | 265,000 Nm/mrad | 滚动元件组的倾斜刚度 |
