INA ZKLDF100-B轴承尺寸、参数、图纸、互换、价格
INA ZKLDF100-B轴承
更新日期:2025-03-13 20:13:13
市场价:¥22331.54元
销售价:电话咨询
库存:2套
INA ZKLDF100-B轴承属于轴向角接触球轴承 ZKLDF 系列,双向,螺钉安装,两侧带密封防尘盖。
前缀列表:【ZKLDF:螺栓安装双向推力角接触球轴承(转台轴承)】。后缀列表:【-B:极限转速增加了两倍(B代)】。
技术研究
如您是工程师,需要对轴承进行研究、计算、选型等,都可以直接联系我,微信:caloc-cn。
产品咨询
如您对产品有任何需求,包括询价、采买以及替换等,都可以直接联系我,联系方式如下。
在线咨询咨询热线
138 6103 7112
138 6103 7112
电话咨询电话/微信(长按复制)
13504113081
13504113081
Z
K
L
D
F
1
0
0
-
B
ZKLDF:螺栓安装双向推力角接触球轴承(转台轴承)
100:内径代号,内径:100 mm
-B:极限转速增加了两倍(B代)
ZKLDF:
螺栓安装双向推力角接触球轴承(转台轴承)
100:
内径代号,内径:100 mm
-B:
极限转速增加了两倍(B代)
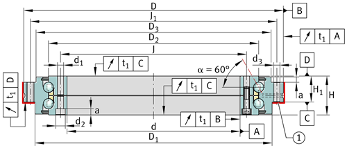
| 主要尺寸&性能数据 | ||
| d | 100 mm | 内径 |
| 0 mm | 内径上公差 | |
| -0.01 mm | 内径下公差 | |
| D | 185 mm | 法兰直径 |
| 0 mm | 法兰直径上公差 | |
| -0.015 mm | 法兰直径下公差 | |
| H | 38 mm | 高度 |
| nG | 5,000 1/min | 极限转速 |
| Ca | 71,000 N | 基本额定动载荷,轴向 |
| C0a | 265,000 N | 基本额定静载荷,轴向 |
| Cua | 10,300 N | 极限疲劳载荷,轴向 |
| 3.84 kg | 重量 | |
| 尺寸参数 | ||
| H1 | 25 mm | 接触面外圈高度 |
| 0.175 mm | 接触面外圆高度H1上公差 | |
| -0.175 mm | 接触面外圆高度H1下公差 | |
| D1 | 161 mm | 外径 D1 |
| D2 | 136 mm | 内圈挡边直径 |
| D3 | 158 mm | 外径 D3 |
| t1 | 3 µm | 轴向和径向跳动,测量标准;在安装的轴承上测量,具有理想的相邻结构。 |
| 安装参数 | ||
| J | 112 mm | 内圈固定孔节圆直径 |
| J1 | 170 mm | 外圈固定孔节圆直径 |
| d1 | 5.6 mm | 内圈固定孔直径 |
| d2 | 10 mm | 固定孔的沉头孔径 |
| a | 5.4 mm | 固定孔的沉头孔深度 |
| 16 | 内圈固定孔数量 | |
| d3 | 5.6 mm | 外圈固定孔直径 |
| 15 | 外圈固定孔数量 | |
| n | 18 | 倾斜量 |
| t | 20 ° | 倾斜分离角 |
| G | M5 | 螺纹抽汽孔 |
| 3 | 螺纹抽汽孔数量 | |
| MA | 8.5 Nm | 螺钉拧紧力矩 |
| 2 | 固定螺钉的数量 | |
| 工作温度 | ||
| Tmin | -30 °C | 最低工作温度 |
| Tmax | 120 °C | 最高工作温度 |
| 附加附件 | ||
| caL | 1,200 N/µm | 轴承轴向刚度 |
| crL | 350 N/µm | 轴承径向刚度 |
| ckL | 3,600 Nm/mrad | 轴承倾斜刚度 |
| caL | 2,200 N/µm | 滚动元件组的轴向刚度 |
| crL | 350 N/µm | 滚动元件组的径向刚度 |
| ckL | 5,000 Nm/mrad | 滚动元件组的倾斜刚度 |
| 批次 | B |
| 其他型号 | 市场价 | 销售价 | 库存 |
| INA ZKLDF100轴承,货期1-3周 | ¥26422.48元 | - | 1 |
