您好!欢迎访问「常州高可智能科技有限公司」网站!

NTN UELHP210-200D1轴承尺寸、参数、图纸、互换、价格

NTN UELHP210-200D1轴承

更新时间:2026.04.26

轴承型号:UELHP210-200D1,轴承座,带偏心锁紧套,铸造外壳,中心高,UELHP型

技术研究
技术研究 如您是工程师,需要对轴承进行研究、计算、选型等,都可以直接联系我,微信:caloc-cn。
产品咨询
产品咨询 如您对产品有任何需求,包括询价、采买以及替换等,都可以直接联系我,联系方式如下。
在线咨询咨询热线
138 6103 7112
电话咨询电话/微信(长按复制)
13504113081

NTN UELHP210-200D1轴承技术规格

类型 轴承座
轴承类型 滚珠轴承
锁紧装置 偏心锁紧套
密封型式 接触式
密封圈材质 丁腈橡胶
轴承型号 UEL210-200D1
轴承座型号 HP210D1
壳体材质 铸铁
壳体铸造型式 一体成型
性能 轻型
端盖类型 开式
基本额定动载荷 7850 lbf
35000 N
35.00 kN
基本额定静载荷 5200 lbf
23200 N
23.20 kN
极限转速 3100转/分钟
重量 9.000 lb
4.100 kg
应用温度范围 -40 to 250 ºF
-40 to 120 ºC
润滑方式 可再润滑

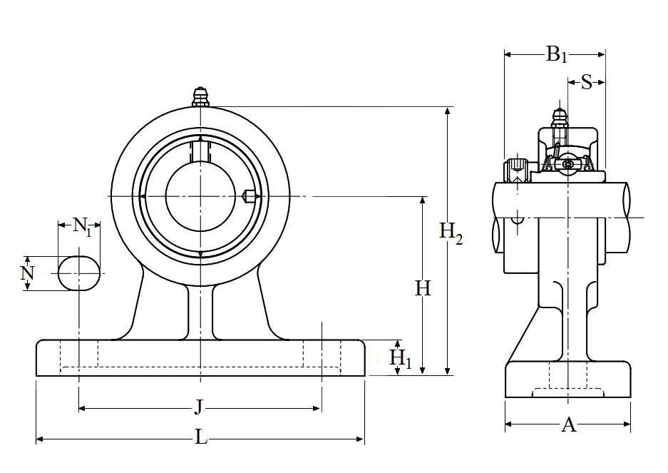
NTN UELHP210-200D1轴承尺寸规格

轴承座,带偏心锁紧套,铸造外壳,中心高,UELHP型 - 尺寸
d 2.0000 in
50.800 mm
J 6.2500 in
159.0 mm
L 8.1250 in
206.0 mm
A 2.7500 in
70.0 mm
H 4.3281 in
110.0 mm
H1 0.8750 in
22.0 mm
H2 6.5000 in
165.0 mm
N 0.7812 in
20.0 mm
N1 0.8750 in
22.0 mm
B1 2.4685 in
62.700 mm
S 0.9685 in
24.600 mm
F 0.2323 in
5.900 mm

NTN UELHP210-200D1轴承相关配件/适用型号

UEL210-200D1 详细尺寸,d:50.8mm,dD:90mm,c:24mm,b:62.7mm,r:1.5mm
NTN UELHP210-200D1轴承图纸
尺寸图
轴承推荐