您好!欢迎访问「常州高可智能科技有限公司」网站!

NTN UELFU-1.1/16轴承尺寸、参数、图纸、互换、价格

NTN UELFU-1.1/16轴承

更新时间:2026.04.26

轴承型号:UELFU-1.1/16,超一流四螺栓法兰式轴承座,偏心锁紧,UELFU型

技术研究
技术研究 如您是工程师,需要对轴承进行研究、计算、选型等,都可以直接联系我,微信:caloc-cn。
产品咨询
产品咨询 如您对产品有任何需求,包括询价、采买以及替换等,都可以直接联系我,联系方式如下。
在线咨询咨询热线
138 6103 7112
电话咨询电话/微信(长按复制)
13504113081

NTN UELFU-1.1/16轴承技术规格

类型 四螺栓方形法兰式轴承座
轴承类型 滚珠轴承
锁紧装置 偏心锁紧套
密封型式 接触式
密封圈材质 丁腈橡胶
轴承型号 A-UEL206-101D1
轴承座型号 FU206D1V50
壳体材质 铸铁
壳体铸造型式 一体成型
端盖类型 开式
表面涂层 黑色氧化物
性能 轻型
基本额定动载荷 4400 lbf
19500 N
19.50 kN
基本额定静载荷 2540 lbf
11300 N
11.30 kN
最大拧紧力矩 86磅·英寸
应用温度范围 -40 to 250 ºF
-40 to 120 ºC
润滑方式 可再润滑

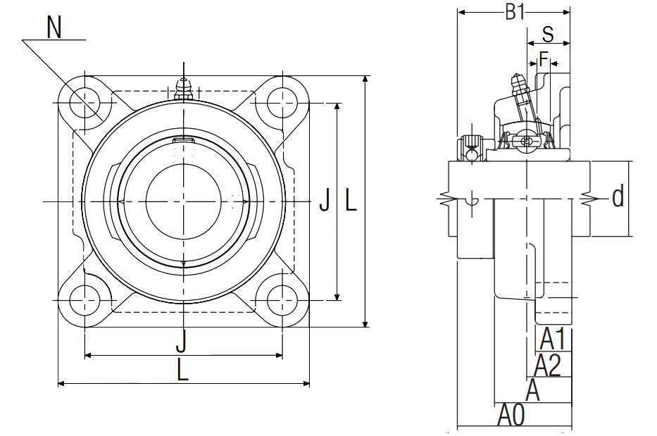
NTN UELFU-1.1/16轴承尺寸规格

超一流四螺栓法兰式轴承座,偏心锁紧,UELFU型 - 尺寸
d 1-1/16 in
26.988 mm
L 4.2813 in
108.7 mm
J 3.2500 in
82.6 mm
A 1.3125 in
33.3 mm
A0 1.9688 in
50.000 mm
A1 0.6250 in
15.9 mm
A2 0.7813 in
19.8 mm
N 0.4531 in
11.5 mm
B1 1.9055 in
48.400 mm
S 0.7205 in
18.300 mm
F 0.1811 in
4.600 mm

NTN UELFU-1.1/16轴承相关配件/适用型号

A-UEL206-101D1 详细尺寸,d:26.988mm,dD:62mm,c:19mm,b:48.4mm,r:1mm
NTN UELFU-1.1/16轴承图纸
尺寸图
轴承推荐