NTN A-UEL206-101D1轴承尺寸、参数、图纸、互换、价格
NTN A-UEL206-101D1轴承
更新时间:2026.04.26
轴承型号:A-UEL206-101D1,超一流带偏心锁紧套的外球面轴承,宽外圈 - 球面外圈,其基础型号为206-101,前缀列表:【A-:从非锁定机构侧进行润滑】【UEL:宽内圈,锁圈带抛油环】,后缀列表:【D1:带油槽油孔,可再润滑】
技术研究
如您是工程师,需要对轴承进行研究、计算、选型等,都可以直接联系我,微信:caloc-cn。
产品咨询
如您对产品有任何需求,包括询价、采买以及替换等,都可以直接联系我,联系方式如下。
在线咨询咨询热线
138 6103 7112
138 6103 7112
电话咨询电话/微信(长按复制)
13504113081
13504113081
A
-
U
E
L
2
0
6
-
1
0
1
D
1
A-:从非锁定机构侧进行润滑
UEL:宽内圈,锁圈带抛油环
2:系列:轻型承重
06:内径系列:30 mm 系列
-:内径分隔符
101:内径:1.0625 in
D1:带油槽油孔,可再润滑
A-:
从非锁定机构侧进行润滑
UEL:
宽内圈,锁圈带抛油环
2:
系列:轻型承重
06:
内径系列:30 mm 系列
-:
内径分隔符
101:
内径:1.0625 in
D1:
带油槽油孔,可再润滑
| 类型 | 外球面轴承 |
| 内孔型式 | 圆柱孔 |
| 轴承类型 | 滚珠轴承 |
| 材质 | 黑色氧化物 |
| 滚珠材质 | 钢 |
| 密封型式 | 接触式 |
| 密封圈材质 | 丁腈橡胶 |
| 性能 | 标准 |
| 结构 | 单列 |
| 锁紧装置 | 偏心锁紧套 |
| 锁紧装置型号 | EL206-101 |
| 润滑方式 | 可再润滑 |
| 锁紧套型号 | EL206-101W3 |
| 基础外圈型号 | 206 |
| 径向游隙 | CN |
| 基本额定静载荷 | 2540 lbf 11300 N 11.30 kN |
| 基本额定动载荷 | 4400 lbf 19500 N 19.50 kN |
| 附件 | 双面密封 |
| 重量 | 0.940 lb 0.426 kg |
| 应用温度范围 | -40 to 250 ºF -40 to 120 ºC |
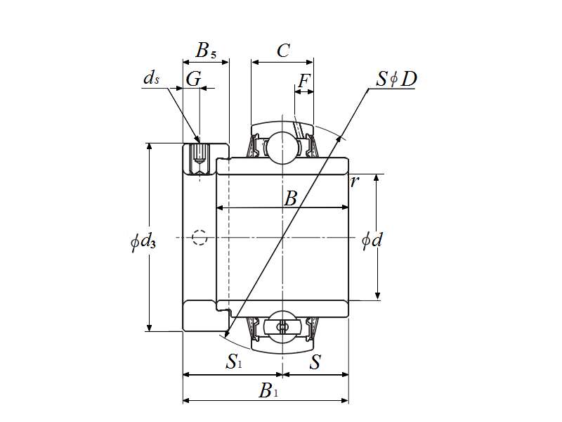
| 超一流带偏心锁紧套的外球面轴承,宽外圈 - 球面外圈 - 尺寸 | |
| d | 1-1/16 in 26.988 mm |
| D | 2.4409 in 62.000 mm |
| C | 0.7480 in 19.000 mm |
| B | 1.4370 in 36.500 mm |
| B1 | 1.9055 in 48.400 mm |
| r | 0.0394 in 1.000 mm |
| ds | 5/16-24 UNF |
| G | 0.2362 in 6.000 mm |
| d3 | 1.7520 in 44.500 mm |
| B5 | 0.6260 in 15.900 mm |
| S1 | 1.1850 in 30.100 mm |
| S | 0.7205 in 18.300 mm |
| F | 0.1811 in 4.600 mm |
| UELP-1.1/16 | 详细尺寸,d:26.988mm,h:42.9mm,b:47.6mm,j:117.5mm,2b:83.3mm,r:165.1mm |
| UELPL-1.1/16 | 详细尺寸,d:26.988mm,h:39.7mm,b:47.6mm,j:117.5mm,2b:80.2mm,r:165.1mm |
| UELFLU-1.1/16 | 详细尺寸,d:26.988mm,h:142.10001mm,b:33.3mm,r:83.3mm |
| UELFU-1.1/16 | 详细尺寸,d:26.988mm,c:15.9mm,b:33.3mm,j:82.6mm,r:108.7mm |