您好!欢迎访问「常州高可智能科技有限公司」网站!

NTN UELC211-201D1轴承尺寸、参数、图纸、互换、价格

NTN UELC211-201D1轴承

更新时间:2026.04.26

轴承型号:UELC211-201D1,环形轴承座,铸造外壳,带偏心锁紧套,UELC型

技术研究
技术研究 如您是工程师,需要对轴承进行研究、计算、选型等,都可以直接联系我,微信:caloc-cn。
产品咨询
产品咨询 如您对产品有任何需求,包括询价、采买以及替换等,都可以直接联系我,联系方式如下。
在线咨询咨询热线
138 6103 7112
电话咨询电话/微信(长按复制)
13504113081

NTN UELC211-201D1轴承技术规格

类型 圆柱环形轴承座
轴承类型 滚珠轴承
锁紧装置 偏心锁紧套
密封型式 接触式
轴承型号 UEL211-201D1
轴承座型号 C211D1
轴承材质 淬透钢
壳体材质 铸铁
性能 轻型
基本额定动载荷 9800 lbf
43500 N
43.50 kN
基本额定静载荷 6550 lbf
29200 N
29.20 kN
极限转速 2900转/分钟
重量 5.300 lb
2.400 kg
应用温度范围 -40 to 250 ºF
-40 to 120 ºC
润滑方式 可再润滑

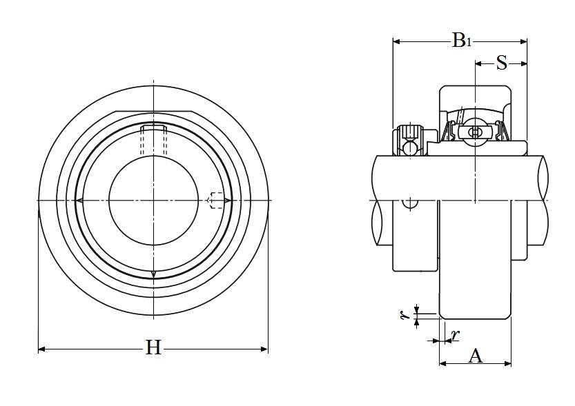
NTN UELC211-201D1轴承尺寸规格

环形轴承座,铸造外壳,带偏心锁紧套,UELC型 - 尺寸
d 2.0625 in
52.388 mm
A 1.3750 in
35.0 mm
H 4.9213 in
125.0 mm
r 0.0984 in
2.5 mm
B1 2.8110 in
71.400 mm
S 1.0945 in
27.800 mm
F 0.2362 in
6.000 mm

NTN UELC211-201D1轴承相关配件/适用型号

UEL211-201D1 详细尺寸,d:52.388mm,dD:100mm,c:25mm,b:71.4mm,r:2mm
NTN UELC211-201D1轴承图纸
尺寸图
轴承推荐