您好!欢迎访问「常州高可智能科技有限公司」网站!

NTN UCUP201-008D1轴承尺寸、参数、图纸、互换、价格

NTN UCUP201-008D1轴承

更新时间:2026.04.26

轴承型号:UCUP201-008D1,轴承座,带紧定螺钉,窄型,UCUP型

技术研究
技术研究 如您是工程师,需要对轴承进行研究、计算、选型等,都可以直接联系我,微信:caloc-cn。
产品咨询
产品咨询 如您对产品有任何需求,包括询价、采买以及替换等,都可以直接联系我,联系方式如下。
在线咨询咨询热线
138 6103 7112
电话咨询电话/微信(长按复制)
13504113081

NTN UCUP201-008D1轴承技术规格

类型 轴承座
轴承类型 滚珠轴承
锁紧装置 紧定螺钉
密封型式 接触式
密封圈材质 丁腈橡胶
轴承型号 UC201-008D1
轴承座型号 UP204D1
壳体材质
端盖类型 开式
性能 轻型
基本额定动载荷 2880 lbf
12800 N
12.80 kN
基本额定静载荷 1500 lbf
6650 N
6.65 kN
极限转速 11000转/分钟
重量 1.300 lb
0.600 kg
应用温度范围 -40 to 250 ºF
-40 to 120 ºC
润滑方式 可再润滑

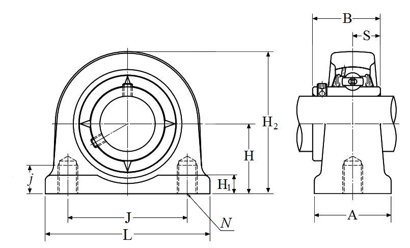
NTN UCUP201-008D1轴承尺寸规格

轴承座,带紧定螺钉,窄型,UCUP型 - 尺寸
d 0.5000 in
12.700 mm
J 2.0625 in
52.0 mm
L 3.0000 in
76.0 mm
A 1.5000 in
38.0 mm
H 1.1875 in
30.2 mm
H1 0.4375 in
11.0 mm
H2 2.4375 in
62.0 mm
N M10x1.5
j 0.5000 in
13.0 mm
B 1.2205 in
31.000 mm
S 0.5000 in
12.700 mm
F 0.1850 in
4.700 mm

NTN UCUP201-008D1轴承相关配件/适用型号

UC201-008D1 详细尺寸,d:12.7mm,dD:47mm,c:18mm,b:31mm,r:0.6mm
NTN UCUP201-008D1轴承图纸
尺寸图
轴承推荐