您好!欢迎访问「常州高可智能科技有限公司」网站!

NTN SUC205-16FG1轴承尺寸、参数、图纸、互换、价格

NTN SUC205-16FG1轴承

更新时间:2026.04.26

轴承型号:SUC205-16FG1,不锈钢材质带紧定螺钉的外球面轴承 - SUC/MUC,其基础型号为205-16,前缀列表:【S:不锈钢材质】【UC:宽内圈,紧定螺钉式,带抛油环】,后缀列表:【FG1:食品级固体润滑油,不可再润滑】

技术研究
技术研究 如您是工程师,需要对轴承进行研究、计算、选型等,都可以直接联系我,微信:caloc-cn。
产品咨询
产品咨询 如您对产品有任何需求,包括询价、采买以及替换等,都可以直接联系我,联系方式如下。
在线咨询咨询热线
138 6103 7112
电话咨询电话/微信(长按复制)
13504113081

NTN SUC205-16FG1轴承代号说明

S
U
C
2
0
5
-
1
6
F
G
1
S:不锈钢材质
UC:宽内圈,紧定螺钉式,带抛油环
2:系列:轻型承重
05:内径系列:25 mm 系列
-:内径分隔符
16:内径:1 in
FG1:食品级固体润滑油,不可再润滑
S:
不锈钢材质
UC:
宽内圈,紧定螺钉式,带抛油环
2:
系列:轻型承重
05:
内径系列:25 mm 系列
-:
内径分隔符
16:
内径:1 in
FG1:
食品级固体润滑油,不可再润滑

NTN SUC205-16FG1轴承技术规格

类型 外球面轴承
内孔型式 圆柱孔
轴承类型 滚珠轴承
材质 不锈钢
滚珠材质
极限转速-脂润滑 5100转/分钟
密封型式 接触式
密封圈材质 硅胶
精度等级 ISO Class 0
性能 标准
锁紧装置 紧定螺钉
润滑方式 不可再润滑
基本额定静载荷 1800 lbf
8000 N
8.00 kN
基本额定动载荷 2470 lbf
11000 N
11.00 kN
附件 双面密封
应用温度范围 -4 to 250 ºF
-20 to 120 ºC

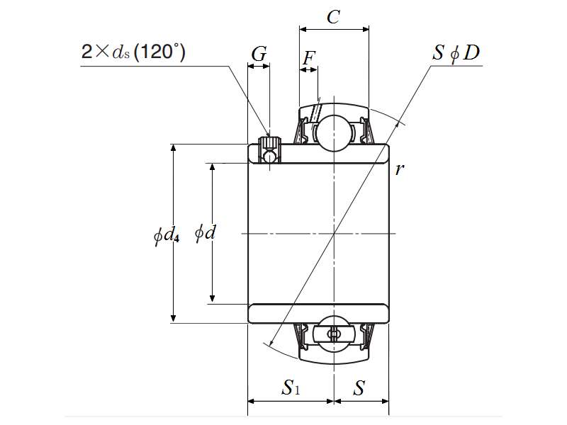
NTN SUC205-16FG1轴承尺寸规格

不锈钢材质带紧定螺钉的外球面轴承 - SUC/MUC - 尺寸
d 1 in
25.400 mm
D 2.0472 in
52.000 mm
C 0.6693 in
17.000 mm
B 1.3425 in
34.100 mm
r 0.0197 in
0.500 mm
ds 1/4-28 UNF
G 0.1969 in
5.000 mm
S1 0.8740 in
22.200 mm
S 0.4685 in
11.900 mm
NTN SUC205-16FG1轴承图纸
尺寸图
轴承推荐