您好!欢迎访问「常州高可智能科技有限公司」网站!

NTN SES211-35轴承尺寸、参数、图纸、互换、价格

NTN SES211-35轴承

更新时间:2026.04.26

轴承型号:SES211-35,带偏心锁紧套的外球面轴承,狭窄内圈 - 球面外圈,其基础型号为211-35,前缀列表:【S:不锈钢材质】【ES:带偏心锁紧套,窄内圈】

技术研究
技术研究 如您是工程师,需要对轴承进行研究、计算、选型等,都可以直接联系我,微信:caloc-cn。
产品咨询
产品咨询 如您对产品有任何需求,包括询价、采买以及替换等,都可以直接联系我,联系方式如下。
在线咨询咨询热线
138 6103 7112
电话咨询电话/微信(长按复制)
13504113081

NTN SES211-35轴承代号说明

S
E
S
2
1
1
-
3
5
S:不锈钢材质
ES:带偏心锁紧套,窄内圈
2:系列:轻型承重
11:内径系列:55 mm 系列
-:内径分隔符
35:内径:2.1875 in
S:
不锈钢材质
ES:
带偏心锁紧套,窄内圈
2:
系列:轻型承重
11:
内径系列:55 mm 系列
-:
内径分隔符
35:
内径:2.1875 in

NTN SES211-35轴承技术规格

类型 外球面轴承
内孔型式 圆柱孔
轴承类型 滚珠轴承
材质 不锈钢
滚珠材质
极限转速-脂润滑 2400转/分钟
密封型式 接触式
密封圈材质 丁腈橡胶
结构 单列
锁紧装置 偏心锁紧套
锁紧装置型号 EL211-35
润滑方式 可再润滑
基础外圈型号 211
基本额定静载荷 5750 lbf
25500 N
25.50 kN
基本额定动载荷 7650 lbf
34000 N
34.00 kN
附件 双面密封
应用温度范围 -40 to 250 ºF
-40 to 120 ºC

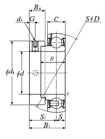
NTN SES211-35轴承尺寸规格

外球面轴承 w 带偏心锁紧套,狭窄内圈 - 球面外圈 - 尺寸
d 2-3/16 in
55.563 mm
D 3.9370 in
100.000 mm
C 0.8268 in
21.000 mm
B 1.2795 in
32.500 mm
B1 1.9055 in
48.400 mm
r 0.0394 in
1.000 mm
ds M10x1.25
G 0.3150 in
8.000 mm
d3 3.0000 in
76.200 mm
B5 0.8150 in
20.700 mm
S1 1.4921 in
37.900 mm
S 0.4134 in
10.500 mm
NTN SES211-35轴承图纸
尺寸图
轴承推荐