您好!欢迎访问「常州高可智能科技有限公司」网站!

NTN SAF22516X2.11/16轴承尺寸、参数、图纸、互换、价格

NTN SAF22516X2.11/16轴承

更新时间:2026.04.27

轴承型号:SAF22516X2.11/16,剖分式轴承座,铸铁外壳,SAF型

技术研究
技术研究 如您是工程师,需要对轴承进行研究、计算、选型等,都可以直接联系我,微信:caloc-cn。
产品咨询
产品咨询 如您对产品有任何需求,包括询价、采买以及替换等,都可以直接联系我,联系方式如下。
在线咨询咨询热线
138 6103 7112
电话咨询电话/微信(长按复制)
13504113081

NTN SAF22516X2.11/16轴承技术规格

类型 轴承座
轴承类型 调心滚子轴承
锁紧装置 紧定衬套
密封型式 三重密封
轴承型号 22216EAKW33
轴承座型号 SAF516G2
SNW型紧定套型号 SNW16X2.11/16
H型紧定套型号 HA316
三层密封圈(2 incl.)型号 LER44
稳定环(2 incl.)型号 SR140X5C
端盖型号 MF211
壳体材质 铸铁
壳体铸造型式 两片接合式
安装类型 双螺栓
性能 重型
端盖类型 开式
基本额定动载荷 62500 lbf
278000 N
278.00 kN
基本额定静载荷 64500 lbf
287000 N
287.00 kN
极限转速 4600转/分钟
应用温度范围 -40 to 400 ºF
-40 to 200 ºC
润滑方式 可再润滑

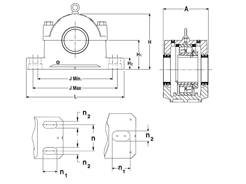
NTN SAF22516X2.11/16轴承尺寸规格

剖分式轴承座,铸铁外壳,SAF型 - 尺寸
d 2.6875 in
68.263 mm
H1 3.5000 in
88.9 mm
L 13.0000 in
330.0 mm
H2 1.2500 in
32.0 mm
J Min. 9.6250 in
244.0 mm
J Max. 11.0000 in
279.0 mm
n1 1.5625 in
40.0 mm
n2 0.8750 in
22.0 mm
H 6.6250 in
169.0 mm
A 4.7500 in
121.0 mm
注意 销售图纸反映的是不带紧定衬套的尺寸,实际上是带的,因此需要注意。如不能很好把握,可直接致电020-81178086咨询我们。

NTN SAF22516X2.11/16轴承相关配件/适用型号

22216EAKD1 详细尺寸,d:80mm,dD:140mm,b:33mm,r:2mm
HA316 详细尺寸,d:68.263mm,dD:105mm,c:17mm,r:59mm
NTN SAF22516X2.11/16轴承图纸
尺寸图
轴承推荐