您好!欢迎访问「常州高可智能科技有限公司」网站!

NTN RNAO-25X37X32ZW轴承尺寸、参数、图纸、互换、价格

NTN RNAO-25X37X32ZW轴承

更新时间:2026.04.26

轴承型号:RNAO-25X37X32ZW,双列机加工滚针轴承 -可分离型型不带内圈

技术研究
技术研究 如您是工程师,需要对轴承进行研究、计算、选型等,都可以直接联系我,微信:caloc-cn。
产品咨询
产品咨询 如您对产品有任何需求,包括询价、采买以及替换等,都可以直接联系我,联系方式如下。
在线咨询咨询热线
138 6103 7112
电话咨询电话/微信(长按复制)
13504113081

NTN RNAO-25X37X32ZW轴承技术规格

类型 机加工外圈滚针轴承,可分离类型
结构 双列
轴承设计型式 不带内圈
材质 高碳铬钢
保持架材质
极限转速-油润滑 16000转/分钟
极限转速-脂润滑 11000转/分钟
精度 ISO Class 0
附件 开式
基本额定静载荷 11100 lbf
49500 N
49.50 kN
基本额定动载荷 7550 lbf
33500 N
33.50 kN
重量 0.262 lb
0.119 kg
应用温度范围 -40 to 250 ºF
-40 to 120 ºC

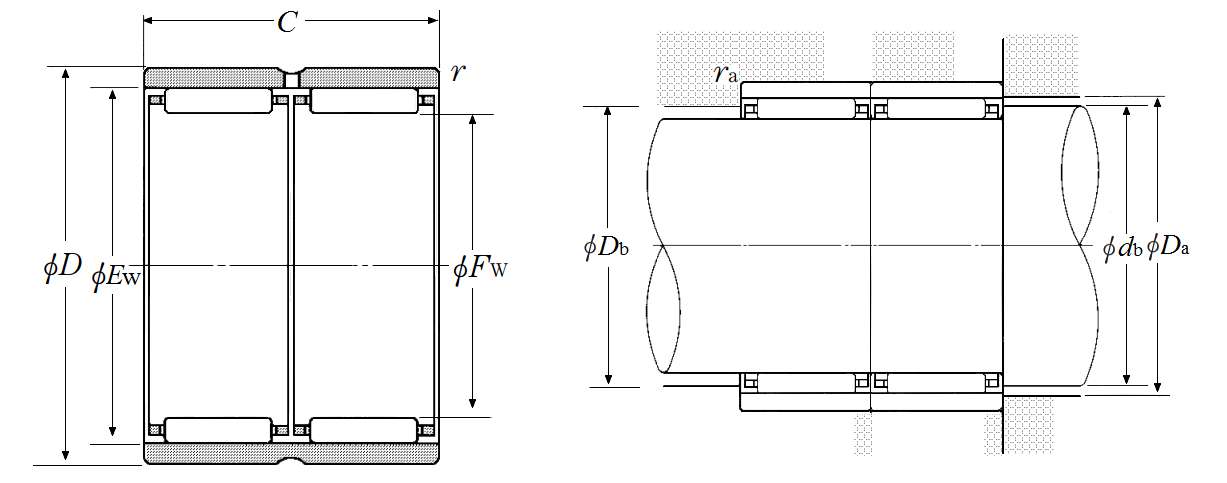
NTN RNAO-25X37X32ZW轴承尺寸规格

Fw 0.9843 in
25.000 mm
D 1.4567 in
37.000 mm
E 1.2598 in
32.000 mm
C 1.2598 in
32.000 mm
r 0.0118 in
0.300 mm
Da max 1.3780 in
35.000 mm
db min 1.2362 in
31.400 mm
ras max 0.0118 in
0.300 mm
轴承推荐