您好!欢迎访问「常州高可智能科技有限公司」网站!

NTN NUKR170XH轴承尺寸、参数、图纸、互换、价格

NTN NUKR170XH轴承

更新时间:2026.04.26

轴承型号:NUKR170XH,凸轮从动螺柱式滚轮轴承 - 圆柱内径,NUKR..H型

技术研究
技术研究 如您是工程师,需要对轴承进行研究、计算、选型等,都可以直接联系我,微信:caloc-cn。
产品咨询
产品咨询 如您对产品有任何需求,包括询价、采买以及替换等,都可以直接联系我,联系方式如下。
在线咨询咨询热线
138 6103 7112
电话咨询电话/微信(长按复制)
13504113081

NTN NUKR170XH轴承技术规格

类型 凸轮从动轴承
材质 淬透钢
螺纹类型 公制
保持架材质
极限转速-脂润滑 1100转/分钟
滚子型式 圆柱型
螺柱类型 公制
轴承类型 滚针轴承
外圈类型 圆柱型
附件 防尘盖
驱动装置型式 六角头
结构 单列
扭矩 3030.0 N
·m
基本额定静载荷 107000 lbf
475000 N
基本额定动载荷 72000 lbf
320000 N
轨道额定载荷 49000 lbf
218000 N
重量 30.644 lb
13.900 kg
应用温度范围 -40 to 250 ºF
-40 to 120 ºC

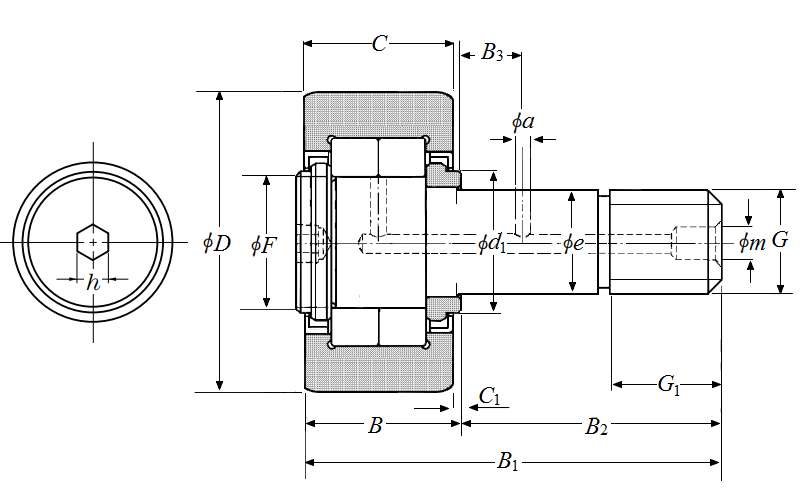
NTN NUKR170XH轴承尺寸规格

凸轮从动螺柱式滚轮轴承 - 圆柱内径,NUKR..H型 - 尺寸
G M60x3
B1 7.4803 in
190.000 mm
B2 4.7244 in
120.000 mm
D 6.6929 in
170.000 mm
D公差 0/-0.0020 in
0/-0.050 mm
B 2.7559 in
70.000 mm
C 2.5984 in
66.000 mm
d1 2.3622 in
60.000 mm
d1公差 0/-0.0012 in
0/-0.030 mm
G1 2.2835 in
58.000 mm
e 3.7992 in
96.500 mm
F 3.3858 in
86.000 mm
C1 0.0787 in
2.000 mm
h 0.6693 in
17.000 mm
m PT1/8
注油嘴尺寸 A-PT1/8
NTN NUKR170XH轴承图纸
尺寸图
轴承推荐