您好!欢迎访问「常州高可智能科技有限公司」网站!

NTN NNU4988K轴承尺寸、参数、图纸、互换、价格

NTN NNU4988K轴承

更新时间:2026.04.26

轴承型号:NNU4988K,双列圆柱滚子轴承 - 圆锥孔 - NN型U,其基础型号为4988,前缀列表:【NNU:内圈可双向分离,外圈不可分离】,后缀列表:【K:锥孔,锥角 1:12】

技术研究
技术研究 如您是工程师,需要对轴承进行研究、计算、选型等,都可以直接联系我,微信:caloc-cn。
产品咨询
产品咨询 如您对产品有任何需求,包括询价、采买以及替换等,都可以直接联系我,联系方式如下。
在线咨询咨询热线
138 6103 7112
电话咨询电话/微信(长按复制)
13504113081

NTN NNU4988K轴承代号说明

N
N
U
4
9
8
8
K
NNU:内圈可双向分离,外圈不可分离
49:双列圆柱滚子轴承 49系列
88:内径:440 mm
K:锥孔,锥角 1:12
NNU:
内圈可双向分离,外圈不可分离
49:
双列圆柱滚子轴承 49系列
88:
内径:440 mm
K:
锥孔,锥角 1:12

NTN NNU4988K轴承技术规格

类型 圆柱滚子轴承
内孔型式 圆锥孔
材质 硬化合金钢
保持架材质 高强度,两片接合式,机加工黄铜
极限转速-油润滑 1000转/分钟
极限转速-脂润滑 850转/分钟
锥角 1:12
精度 ISO Class 0
公差 ISO Class 0(RBEC 1)
注油孔 不带注油孔
径向游隙 CN
基本额定静载荷 1250000 lbf
5550000 N
5550.00 kN
基本额定动载荷 485000 lbf
2150000 N
2150.00 kN
附件 开式
应用温度范围 -40 to 250 ºF
-40 to 120 ºC

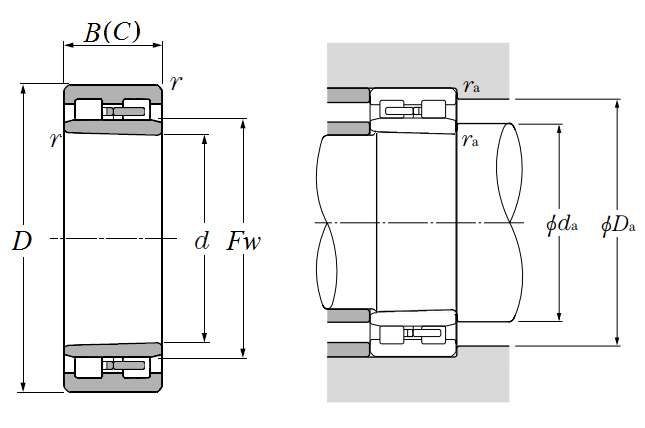
NTN NNU4988K轴承尺寸规格

双列圆柱滚子轴承 - 圆锥孔 - NN型U - 尺寸
d 17.3228 in
440.000 mm
D 23.6220 in
600.000 mm
B 6.2992 in
160.000 mm
C 6.2992 in
160.000 mm
Fw 19.3701 in
492.000 mm
r 0.1575 in
4.000 mm
da min 17.9528 in
456.000 mm
db min 18.4646 in
469.000 mm
Da max 22.9921 in
584.000 mm
ras max 0.1181 in
3.000 mm
NTN NNU4988K轴承图纸
尺寸图
轴承推荐