您好!欢迎访问「常州高可智能科技有限公司」网站!

NTN NKS95+1R80X95X32轴承尺寸、参数、图纸、互换、价格

NTN NKS95+1R80X95X32轴承

更新时间:2026.04.26

轴承型号:NKS95+1R80X95X32,机加工滚针轴承带内圈 - NK+1R,NKS+1R系列

技术研究
技术研究 如您是工程师,需要对轴承进行研究、计算、选型等,都可以直接联系我,微信:caloc-cn。
产品咨询
产品咨询 如您对产品有任何需求,包括询价、采买以及替换等,都可以直接联系我,联系方式如下。
在线咨询咨询热线
138 6103 7112
电话咨询电话/微信(长按复制)
13504113081

NTN NKS95+1R80X95X32轴承技术规格

类型 滚针轴承
内孔型式 圆柱孔
材质 高碳铬钢
保持架材质
极限转速-油润滑 4200转/分钟
极限转速-脂润滑 2800转/分钟
精度 ISO Class 0
结构 单列
附件 开式
轴承设计型式 带内圈
注油孔 不带注油孔
径向游隙 CN
基本额定静载荷 37000 lbf
165000 N
165.00 kN
基本额定动载荷 14700 lbf
65500 N
65.50 kN
重量 2.822 lb
1.280 kg
应用温度范围 -40 to 250 ºF
-40 to 120 ºC

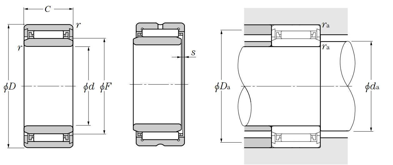
NTN NKS95+1R80X95X32轴承尺寸规格

机加工滚针轴承带内圈 - NK+1R,NKS+1R系列 - 尺寸
d 3.1496 in
80.000 mm
D 4.5276 in
115.000 mm
F 3.7402 in
95.000 mm
B 1.2598 in
32.000 mm
r 0.0433 in
1.100 mm
s 0.0984 in
2.500 mm
da min 3.4055 in
86.500 mm
Da max 3.8976 in
99.000 mm
ras max 0.0433 in
1.100 mm
NTN NKS95+1R80X95X32轴承图纸
尺寸图
轴承推荐