NTN N1016KD1C1NAP4轴承尺寸、参数、图纸、互换、价格
NTN N1016KD1C1NAP4轴承
更新时间:2026.04.26
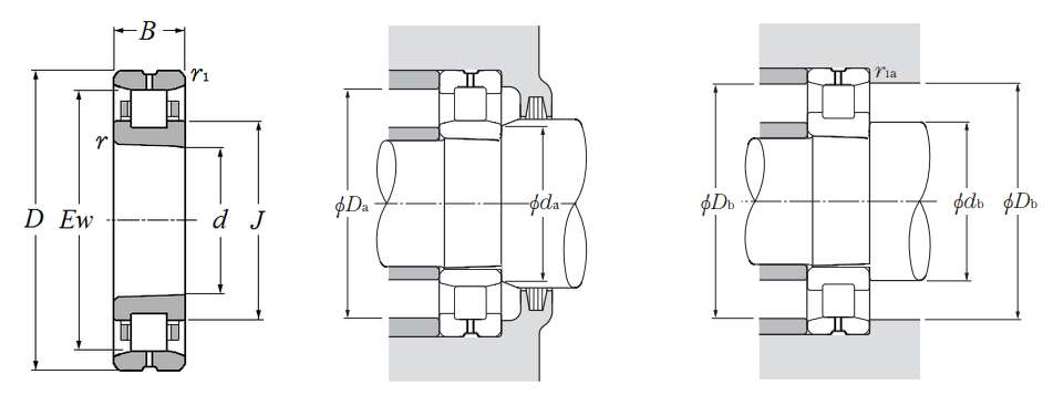
轴承型号:N1016KD1C1NAP4,圆柱滚子轴承 - 圆锥孔 -内圈带两个加强筋,普通外圈,Oil Hole,其基础型号为1016,前缀列表:【N:外圈无挡边,内圈双挡边】,后缀列表:【K:锥孔,锥角 1:12】【D1:带油槽油孔,可再润滑】【C1NA:C1游隙范围减小(但平均游隙相同)】【P4:P4级精度】
技术研究
如您是工程师,需要对轴承进行研究、计算、选型等,都可以直接联系我,微信:caloc-cn。
产品咨询
如您对产品有任何需求,包括询价、采买以及替换等,都可以直接联系我,联系方式如下。
在线咨询咨询热线
138 6103 7112
138 6103 7112
电话咨询电话/微信(长按复制)
13504113081
13504113081
N
1
0
1
6
K
D
1
C
1
N
A
P
4
N:外圈无挡边,内圈双挡边
1:宽度系列:01系列
0:尺寸系列:10系列
16:内径:80 mm
K:锥孔,锥角 1:12
D1:带油槽油孔,可再润滑
C1NA:C1游隙范围减小(但平均游隙相同)
P4:P4级精度
N:
外圈无挡边,内圈双挡边
1:
宽度系列:01系列
0:
尺寸系列:10系列
16:
内径:80 mm
K:
锥孔,锥角 1:12
D1:
带油槽油孔,可再润滑
C1NA:
C1游隙范围减小(但平均游隙相同)
P4:
P4级精度
| 类型 | 圆柱滚子轴承 |
| 内孔型式 | 圆锥孔 |
| 材质 | 硬化合金钢 |
| 保持架材质 | 高强度,机加工黄铜 |
| 极限转速-油润滑 | 6700转/分钟 |
| 极限转速-脂润滑 | 5700转/分钟 |
| 锥角 | 1:12 |
| 轴承设计型式 | 圆锥内孔 |
| 精度 | ISO Class 4 |
| 结构 | 单列 |
| 注油孔 | 带注油孔 |
| 径向游隙 | C1NA |
| 基本额定静载荷 | 20300 lbf 90500 N 90.50 kN |
| 基本额定动载荷 | 16300 lbf 72500 N 72.50 kN |
| 重量 | 2.105 lb 0.955 kg |
| 应用温度范围 | -40 to 250 ºF -40 to 120 ºC |
| 圆柱滚子轴承 - 圆锥孔 -内圈带两个加强筋,普通外圈,Oil Hole - 尺寸 | |
| d | 3.1496 in 80.000 mm |
| D | 4.9213 in 125.000 mm |
| B | 0.8661 in 22.000 mm |
| Ew | 4.4685 in 113.500 mm |
| r | 0.0433 in 1.100 mm |
| da min | 3.4055 in 86.500 mm |
| Db max | 4.6654 in 118.500 mm |
| Db min | 4.4882 in 114.000 mm |
| r1as max | 0.0394 in 1.000 mm |