NTN MU1922DAHV轴承尺寸、参数、图纸、互换、价格
NTN MU1922DAHV轴承
更新时间:2026.04.26
轴承型号:MU1922DAHV,可分离外圈轴承 -内圈带两个加强筋,外圈带一个加强筋,销钉孔,其基础型号为1922,前缀列表:【MU:M:NTN BOWER产品,标准公制尺寸系列,U:内圈双挡边】,后缀列表:【D:外圈单挡边】【A:超大外径,适用于标准壳体孔中的重压型配合】【H:外圈外径上带盲销孔】【V:一体成型钢保持架】
技术研究
如您是工程师,需要对轴承进行研究、计算、选型等,都可以直接联系我,微信:caloc-cn。
产品咨询
如您对产品有任何需求,包括询价、采买以及替换等,都可以直接联系我,联系方式如下。
在线咨询咨询热线
138 6103 7112
138 6103 7112
电话咨询电话/微信(长按复制)
13504113081
13504113081
M
U
1
9
2
2
D
A
H
V
MU:M:NTN BOWER产品,标准公制尺寸系列,U:内圈双挡边
1:宽度系列:01系列
9:尺寸系列:19系列
22:内径:110 mm
D:外圈单挡边
A:超大外径,适用于标准壳体孔中的重压型配合
H:外圈外径上带盲销孔
V:一体成型钢保持架
MU:
M:NTN BOWER产品,标准公制尺寸系列,U:内圈双挡边
1:
宽度系列:01系列
9:
尺寸系列:19系列
22:
内径:110 mm
D:
外圈单挡边
A:
超大外径,适用于标准壳体孔中的重压型配合
H:
外圈外径上带盲销孔
V:
一体成型钢保持架
| 类型 | 圆柱滚子轴承 |
| 内孔型式 | 圆柱孔 |
| 材质 | 硬化合金钢 |
| 保持架材质 | 一体成型,钢质 |
| 结构 | 单列 |
| 公差 | ISO Class 0(RBEC 1) |
| 注油孔 | 不带注油孔 |
| 径向游隙 | CN |
| 基本额定静载荷 | 31000 lbf 137000 N 137.00 kN |
| 基本额定动载荷 | 19600 lbf 87000 N 87.00 kN |
| 附件 | 开式 |
| 重量 | 2.238 lb 1.015 kg |
| 应用温度范围 | -40 to 250 ºF -40 to 120 ºC |
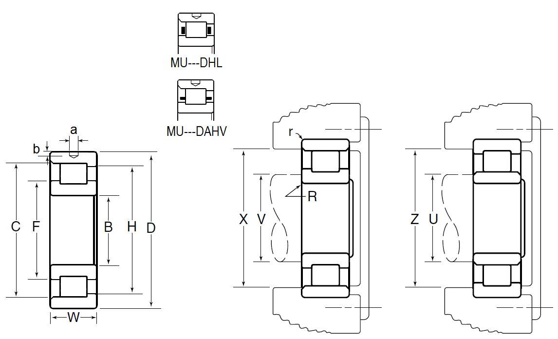
| 可分离外圈轴承 -内圈带两个加强筋,外圈带一个加强筋,销钉孔 - 尺寸 | |
| B | 4.3307 in 110.000 mm |
| D | 5.9081 in 150.066 mm |
| W | 0.7874 in 20.000 mm |
| C | 5.5020 in 139.750 mm |
| F | 4.8791 in 123.930 mm |
| H | 5.3469 in 135.810 mm |
| a | 0.2811 in 7.140 mm |
| b | 0.0799 in 2.030 mm |
| R | 0.0598 in 1.520 mm |
| U(普通内外圈) | 4.6102 in 117.100 mm |
| V(加强筋内外圈) | 4.7205 in 119.900 mm |
| X(普通内外圈) | 5.6417 in 143.300 mm |
| Z(加强筋内外圈) | 5.5000 in 139.700 mm |
| r | 0.0402 in 1.020 mm |