NTN MU1214TL轴承尺寸、参数、图纸、互换、价格
NTN MU1214TL轴承
更新时间:2026.04.26
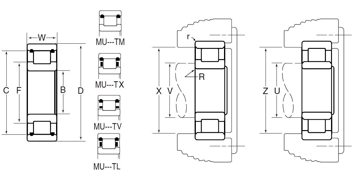
轴承型号:MU1214TL,圆柱滚子轴承 - 不可分离型,内圈带两个加强筋,外圈带两个挡圈,其基础型号为1214,前缀列表:【MU:M:NTN BOWER产品,标准公制尺寸系列,U:内圈双挡边】,后缀列表:【T:外圈内径中带双挡边】【L:复合钢保持架】
技术研究
如您是工程师,需要对轴承进行研究、计算、选型等,都可以直接联系我,微信:caloc-cn。
产品咨询
如您对产品有任何需求,包括询价、采买以及替换等,都可以直接联系我,联系方式如下。
在线咨询咨询热线
138 6103 7112
138 6103 7112
电话咨询电话/微信(长按复制)
13504113081
13504113081
M
U
1
2
1
4
T
L
MU:M:NTN BOWER产品,标准公制尺寸系列,U:内圈双挡边
1:宽度系列:01系列
2:尺寸系列:02系列
14:内径:70 mm
T:外圈内径中带双挡边
L:复合钢保持架
MU:
M:NTN BOWER产品,标准公制尺寸系列,U:内圈双挡边
1:
宽度系列:01系列
2:
尺寸系列:02系列
14:
内径:70 mm
T:
外圈内径中带双挡边
L:
复合钢保持架
| 类型 | 圆柱滚子轴承 |
| 内孔型式 | 圆柱孔 |
| 材质 | 硬化合金钢 |
| 保持架材质 | 复合钢 |
| 结构 | 单列 |
| 公差 | ISO Class 0(RBEC 1) |
| 注油孔 | 不带注油孔 |
| 径向游隙 | CN |
| 基本额定静载荷 | 32000 lbf 142000 N 142.00 kN |
| 基本额定动载荷 | 25600 lbf 114000 N 114.00 kN |
| 附件 | 开式 |
| 应用温度范围 | -40 to 250 ºF -40 to 120 ºC |
| 圆柱滚子轴承 - 不可分离型,内圈带两个加强筋,外圈带两个挡圈 - 尺寸 | |
| B | 2.7559 in 70.000 mm |
| D | 4.9213 in 125.000 mm |
| W | 0.9449 in 24.000 mm |
| C | 4.3909 in 111.530 mm |
| F | 3.5280 in 89.610 mm |
| R | 0.1000 in 2.540 mm |
| U(普通内外圈) | 3.2205 in 81.800 mm |
| V(加强筋内外圈) | 3.3307 in 84.600 mm |
| X(普通内外圈) | 4.5512 in 115.600 mm |
| Z(加强筋内外圈) | 4.3898 in 111.500 mm |
| r | 0.0598 in 1.520 mm |