您好!欢迎访问「常州高可智能科技有限公司」网站!

NTN MR1922EX轴承尺寸、参数、图纸、互换、价格

NTN MR1922EX轴承

更新时间:2026.04.26

轴承型号:MR1922EX,圆柱滚子轴承 -可分离型内圈带一个加强筋,外圈带两个加强筋,其基础型号为1922,前缀列表:【MR:M:NTN BOWER产品,标准公制尺寸系列,R:内圈单挡边】,后缀列表:【E:外圈双挡边】【X:X-Bar复合钢】

技术研究
技术研究 如您是工程师,需要对轴承进行研究、计算、选型等,都可以直接联系我,微信:caloc-cn。
产品咨询
产品咨询 如您对产品有任何需求,包括询价、采买以及替换等,都可以直接联系我,联系方式如下。
在线咨询咨询热线
138 6103 7112
电话咨询电话/微信(长按复制)
13504113081

NTN MR1922EX轴承代号说明

M
R
1
9
2
2
E
X
MR:M:NTN BOWER产品,标准公制尺寸系列,R:内圈单挡边
1:宽度系列:01系列
9:尺寸系列:19系列
22:内径:110 mm
E:外圈双挡边
X:X-Bar复合钢
MR:
M:NTN BOWER产品,标准公制尺寸系列,R:内圈单挡边
1:
宽度系列:01系列
9:
尺寸系列:19系列
22:
内径:110 mm
E:
外圈双挡边
X:
X-Bar复合钢

NTN MR1922EX轴承技术规格

类型 圆柱滚子轴承
内孔型式 圆柱孔
材质 硬化合金钢
保持架材质 X-Bar复合钢
结构 单列
公差 ISO Class 0(RBEC 1)
注油孔 不带注油孔
径向游隙 CN
基本额定静载荷 32500 lbf
145000 N
145.00 kN
基本额定动载荷 20300 lbf
90500 N
90.50 kN
附件 开式
应用温度范围 -40 to 250 ºF
-40 to 120 ºC

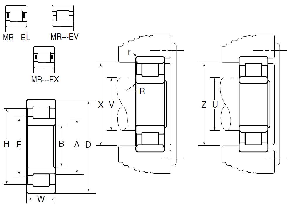
NTN MR1922EX轴承尺寸规格

圆柱滚子轴承 -可分离型内圈带一个加强筋,外圈带两个加强筋 - 尺寸
B 4.3307 in
110.000 mm
D 5.9055 in
150.000 mm
W 0.7874 in
20.000 mm
A 4.7240 in
119.990 mm
F 4.8791 in
123.930 mm
H 5.3469 in
135.810 mm
R 0.0598 in
1.520 mm
U(普通内外圈) 4.6102 in
117.100 mm
V(加强筋内外圈) 4.7205 in
119.900 mm
X(普通内外圈) 5.6417 in
143.300 mm
Z(加强筋内外圈) 5.5000 in
139.700 mm
r 0.0402 in
1.020 mm
NTN MR1922EX轴承图纸
尺寸图
轴承推荐