NTN M7309GEL轴承尺寸、参数、图纸、互换、价格
NTN M7309GEL轴承
更新时间:2026.04.26
轴承型号:M7309GGEL,外圈带Cage and Rollers,两个加强筋&Two 带止动环槽 in外圈 O.D.,其基础型号为7309,前缀列表:【M:NTN BOWER产品,标准公制尺寸系列】,后缀列表:【G:外圈带止动环槽】【E:外圈双挡边】【L:复合钢保持架】
技术研究
如您是工程师,需要对轴承进行研究、计算、选型等,都可以直接联系我,微信:caloc-cn。
产品咨询
如您对产品有任何需求,包括询价、采买以及替换等,都可以直接联系我,联系方式如下。
在线咨询咨询热线
138 6103 7112
138 6103 7112
电话咨询电话/微信(长按复制)
13504113081
13504113081
M
7
3
0
9
G
E
L
M:NTN BOWER产品,标准公制尺寸系列
7:宽度系列:07系列
3:尺寸系列:03系列
09:内径:45 mm
G:外圈带止动环槽
E:外圈双挡边
L:复合钢保持架
M:
NTN BOWER产品,标准公制尺寸系列
7:
宽度系列:07系列
3:
尺寸系列:03系列
09:
内径:45 mm
G:
外圈带止动环槽
E:
外圈双挡边
L:
复合钢保持架
| 类型 | 带滚子的外圈 |
| 内孔型式 | 圆柱孔 |
| 材质 | 硬化合金钢 |
| 保持架材质 | 复合钢 |
| 结构 | 单列 |
| 注油孔 | 不带注油孔 |
| 径向游隙 | CN |
| 基本额定静载荷 | 37000 lbf 165000 N 165.00 kN |
| 基本额定动载荷 | 30500 lbf 136000 N 136.00 kN |
| 附件 | 开式 |
| 重量 | 2.094 lb 0.950 kg |
| 应用温度范围 | -40 to 250 ºF -40 to 120 ºC |
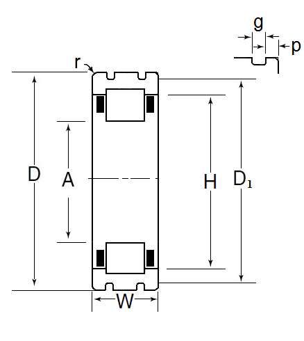
| 外圈带Cage and Rollers,两个加强筋&Two 带止动环槽 in外圈 O.D. - 尺寸 | |
| A | 2.3370 in 59.360 mm |
| D | 3.9370 in 100.000 mm |
| W | 1.2205 in 31.000 mm |
| r | 0.0598 in 1.520 mm |
| D1 | 3.8110 in 96.800 mm |
| p | 0.1091 in 2.770 mm |
| g | 0.1252 in 3.180 mm |
| H | 3.2079 in 81.480 mm |