您好!欢迎访问「常州高可智能科技有限公司」网站!

NTN W60/2.5ZZA轴承尺寸、参数、图纸、互换、价格

NTN W60/2.5ZZA轴承

更新时间:2026.04.26

轴承型号:W60/2.5ZZA,单列深沟球轴承 - Removable Double Shield,其基础型号为60/2.5,前缀列表:【W:加宽系列】,后缀列表:【ZZA:双面可拆卸防尘盖】

技术研究
技术研究 如您是工程师,需要对轴承进行研究、计算、选型等,都可以直接联系我,微信:caloc-cn。
产品咨询
产品咨询 如您对产品有任何需求,包括询价、采买以及替换等,都可以直接联系我,联系方式如下。
在线咨询咨询热线
138 6103 7112
电话咨询电话/微信(长按复制)
13504113081

NTN W60/2.5ZZA轴承代号说明

W
6
0
/
2
.
5
Z
Z
A
W:加宽系列
6:深沟球轴承
0:尺寸系列:10系列
/:分隔符
2.5:内径:2.5 mm
ZZA:双面可拆卸防尘盖
W:
加宽系列
6:
深沟球轴承
0:
尺寸系列:10系列
/:
分隔符
2.5:
内径:2.5 mm
ZZA:
双面可拆卸防尘盖

NTN W60/2.5ZZA轴承技术规格

类型 微型/超小型滚珠轴承
内孔型式 圆柱孔
材质 高碳铬钢
保持架型式 压制
保持架材质
滚珠材质
极限转速-脂润滑 56000转/分钟
精度 ISO Class 0
结构 单列
系数 11.5
径向游隙 CN
基本额定静载荷 39 lbf
174 N
0.17 kN
基本额定动载荷 130 lbf
610 N
0.61 kN
附件 可拆卸双面防尘盖
应用温度范围 -40 to 250 ºF
-40 to 120 ºC

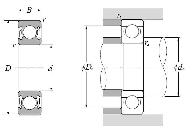
NTN W60/2.5ZZA轴承尺寸规格

单列深沟球轴承 - Removable Double Shield - 尺寸
d 0.0984 in
2.500 mm
D 0.3150 in
8.000 mm
B 0.1575 in
4.000 mm
r 0.0059 in
0.150 mm
da min 0.1457 in
3.700 mm
da max 0.1614 in
4.100 mm
Da max 0.2677 in
6.800 mm
ras max 0.0059 in
0.150 mm
NTN W60/2.5ZZA轴承图纸
尺寸图
轴承推荐