您好!欢迎访问「常州高可智能科技有限公司」网站!

NTN KRMV8XH轴承尺寸、参数、图纸、互换、价格

NTN KRMV8XH轴承

更新时间:2026.04.26

轴承型号:KRMV8XH,Miniature Cam Follower - KRMV..XH型

技术研究
技术研究 如您是工程师,需要对轴承进行研究、计算、选型等,都可以直接联系我,微信:caloc-cn。
产品咨询
产品咨询 如您对产品有任何需求,包括询价、采买以及替换等,都可以直接联系我,联系方式如下。
在线咨询咨询热线
138 6103 7112
电话咨询电话/微信(长按复制)
13504113081

NTN KRMV8XH轴承技术规格

类型 凸轮从动轴承
材质 淬透钢
螺纹类型 公制
保持架材质
滚子型式 圆柱型
螺柱类型 公制
轴承类型 滚针轴承
外圈类型 圆柱型
附件 开式
驱动装置型式 六角头
结构 单列
扭矩 1.0 N
·m
基本额定静载荷 685 lbf
3050 N
基本额定动载荷 475 lbf
2120 N
轨道额定载荷 176 lbf
785 N
重量 0.007 lb
0.003 kg
应用温度范围 -40 to 250 ºF
-40 to 120 ºC

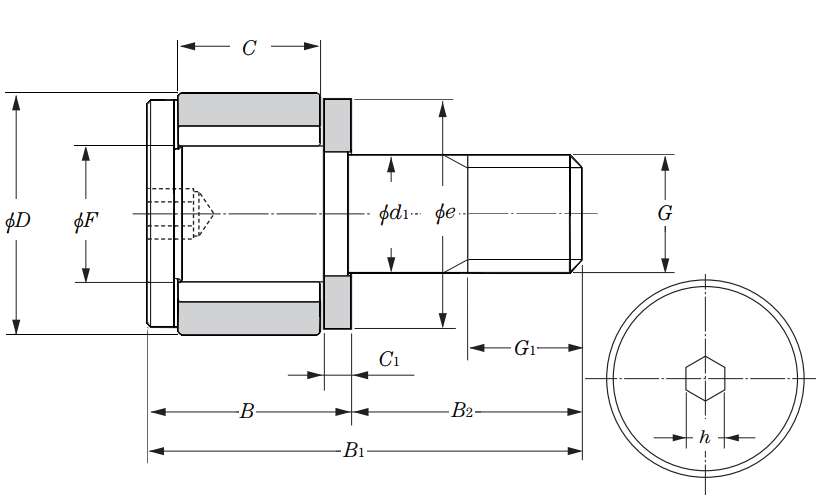
NTN KRMV8XH轴承尺寸规格

Miniature Cam Follower - KRMV..XH型 - 尺寸
G M4x0.7
B1 0.5906 in
15.000 mm
B2 0.3150 in
8.000 mm
D 0.3150 in
8.000 mm
D公差 0/-0.0020 in
0/-0.050 mm
B 0.2756 in
7.000 mm
C 0.1969 in
5.000 mm
d1 0.1575 in
4.000 mm
d1公差 0/-0.0003 in
0/-0.008 mm
G1 0.1575 in
4.000 mm
e 0.3031 in
7.700 mm
F 0.1772 in
4.500 mm
C1 0.0394 in
1.000 mm
h 0.0591 in
1.500 mm
NTN KRMV8XH轴承图纸
尺寸图
轴承推荐