您好!欢迎访问「常州高可智能科技有限公司」网站!

NTN KR80LLH轴承尺寸、参数、图纸、互换、价格

NTN KR80LLH轴承

更新时间:2026.04.26

轴承型号:KR80LLH,凸轮从动螺柱式滚轮轴承 - 球面外圈,KR..LLH型

技术研究
技术研究 如您是工程师,需要对轴承进行研究、计算、选型等,都可以直接联系我,微信:caloc-cn。
产品咨询
产品咨询 如您对产品有任何需求,包括询价、采买以及替换等,都可以直接联系我,联系方式如下。
在线咨询咨询热线
138 6103 7112
电话咨询电话/微信(长按复制)
13504113081

NTN KR80LLH轴承技术规格

类型 凸轮从动轴承
材质 淬透钢
螺纹类型 公制
保持架材质 压制钢
极限转速-油润滑 5500转/分钟
极限转速-脂润滑 4000转/分钟
滚子型式 凸度滚子
螺柱类型 公制
轴承类型 滚针轴承
外圈类型 球面
附件 双面密封
驱动装置型式 六角头
结构 单列
扭矩 360.0 N
·m
基本额定静载荷 19900 lbf
88500 N
基本额定动载荷 10100 lbf
45000 N
轨道额定载荷 2200 lbf
9800 N
重量 3.417 lb
1.550 kg
应用温度范围 -40 to 250 ºF
-40 to 120 ºC

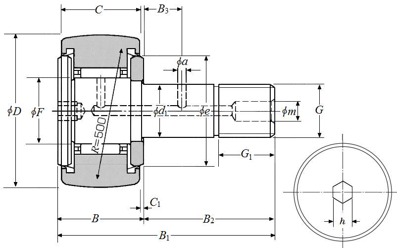
NTN KR80LLH轴承尺寸规格

凸轮从动螺柱式滚轮轴承 - 球面外圈,KR..LLH型 - 尺寸
G M30x1.5
B1 3.9370 in
100.000 mm
B2 2.4803 in
63.000 mm
D 3.1496 in
80.000 mm
D公差 0/-0.0020 in
0/-0.050 mm
B 1.4567 in
37.000 mm
C 1.3780 in
35.000 mm
d1 1.1811 in
30.000 mm
d1公差 0/-0.0008 in
0/-0.021 mm
G1 1.2598 in
32.000 mm
e 2.0866 in
53.000 mm
B3 0.5906 in
15.000 mm
a 0.1575 in
4.000 mm
F 1.4961 in
38.000 mm
C1 0.0394 in
1.000 mm
h 0.3150 in
8.000 mm
m 0.3150 in
8.000 mm
注油嘴尺寸 NIP-B8
NTN KR80LLH轴承图纸
尺寸图
轴承推荐