您好!欢迎访问「常州高可智能科技有限公司」网站!

NTN K25X30X39ZW轴承尺寸、参数、图纸、互换、价格

NTN K25X30X39ZW轴承

更新时间:2026.04.26

轴承型号:K25X30X39ZW,双列滚针和保持架组件

技术研究
技术研究 如您是工程师,需要对轴承进行研究、计算、选型等,都可以直接联系我,微信:caloc-cn。
产品咨询
产品咨询 如您对产品有任何需求,包括询价、采买以及替换等,都可以直接联系我,联系方式如下。
在线咨询咨询热线
138 6103 7112
电话咨询电话/微信(长按复制)
13504113081

NTN K25X30X39ZW轴承技术规格

类型 滚针和保持架组件
材质 高碳铬钢
保持架材质
极限转速-油润滑 16000转/分钟
极限转速-脂润滑 11000转/分钟
附件 开式
精度 ISO Class 0
基本额定静载荷 12000 lbf
53500 N
基本额定动载荷 6700 lbf
29800 N
重量 0.088 lb
0.040 kg

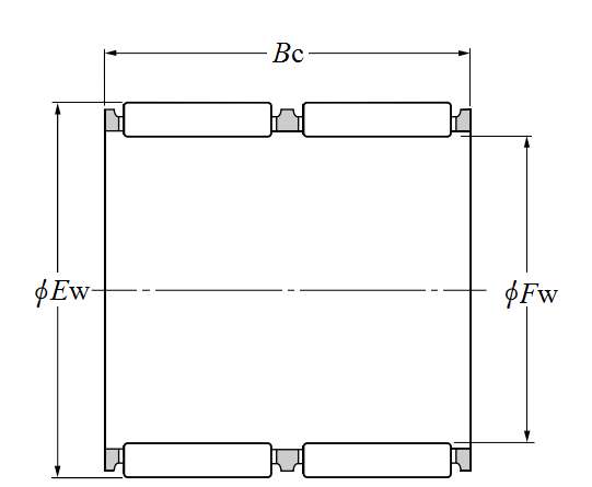
NTN K25X30X39ZW轴承尺寸规格

双列滚针和保持架组件 - 尺寸
Fw 0.9843 in
25.000 mm
Ew 1.1811 in
30.000 mm
Bc 1.5354 in
39.000 mm
Bc公差 -0.2/-0.55
NTN K25X30X39ZW轴承图纸
尺寸图
轴承推荐