NTN HSB016EX2DB/GNP4L轴承尺寸、参数、图纸、互换、价格
NTN HSB016EX2DB/GNP4L轴承
更新时间:2026.04.26
轴承型号:HSB016EX2DB/GNP4L,超高速双联角接触球轴承,背对背配对,其基础型号为016,前缀列表:【HSB:超高速角接触球轴承.HSB型】,后缀列表:【E:更大的载荷】【X2:特殊2型倒角】【DB:背对背配对, / \ 】【/GN:正常预紧】【P4L:轴向载荷的外圈外径公差 P4级】
技术研究
如您是工程师,需要对轴承进行研究、计算、选型等,都可以直接联系我,微信:caloc-cn。
产品咨询
如您对产品有任何需求,包括询价、采买以及替换等,都可以直接联系我,联系方式如下。
在线咨询咨询热线
138 6103 7112
138 6103 7112
电话咨询电话/微信(长按复制)
13504113081
13504113081
H
S
B
0
1
6
E
X
2
D
B
/
G
N
P
4
L
HSB:超高速角接触球轴承.HSB型
0:尺寸系列:10系列
16:内径:80 mm
E:更大的载荷
X2:特殊2型倒角
DB:背对背配对, / \
/GN:正常预紧
P4L:轴向载荷的外圈外径公差 P4级
HSB:
超高速角接触球轴承.HSB型
0:
尺寸系列:10系列
16:
内径:80 mm
E:
更大的载荷
X2:
特殊2型倒角
DB:
背对背配对, / \
/GN:
正常预紧
P4L:
轴向载荷的外圈外径公差 P4级
| 类型 | 角接触球轴承 |
| 内孔型式 | 圆柱孔 |
| 材质 | 高碳铬钢 |
| 保持架型式 | 玻璃纤维增强 |
| 保持架材质 | 尼龙 |
| 滚珠材质 | 钢 |
| 极限转速-油润滑 | 7700转/分钟 |
| 极限转速-脂润滑 | 5800转/分钟 |
| 精度 | ISO Class 4 |
| 结构 | 双列 |
| 预紧力 | 一般水平 |
| 基本额定静载荷 | 10500 lbf 46500 N 46.50 kN |
| 基本额定动载荷 | 11800 lbf 52500 N 52.50 kN |
| 附件 | 开式 |
| 重量 | 3.774 lb 1.712 kg |
| 应用温度范围 | -40 to 250 ºF -40 to 120 ºC |
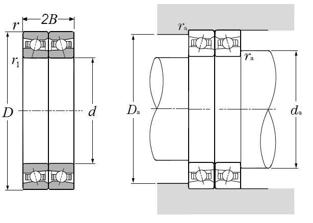
| 超高速双联角接触球轴承,背对背配对 - 尺寸 | |
| d | 3.1496 in 80.000 mm |
| D | 4.9213 in 125.000 mm |
| B | 0.8661 in 22.000 mm |
| 2B | 1.7323 in 44.000 mm |
| r | 0.0433 in 1.100 mm |
| r1 | 0.0236 in 0.600 mm |
| 接触角 | 15 º |
| da min | 3.4252 in 87.000 mm |
| Da max | 4.6457 in 118.000 mm |
| ras max | 0.0394 in 1.000 mm |