NTN F-UC205-100D1/LP03轴承尺寸、参数、图纸、互换、价格
NTN F-UC205-100D1/LP03轴承
更新时间:2026.04.26
轴承型号:F-UC205-100D1/LP03,带紧定螺钉的外球面轴承,宽外圈 - 球面外圈,其基础型号为205-100,前缀列表:【F-:不锈钢材质】【UC:宽内圈,紧定螺钉式,带抛油环】,后缀列表:【D1:带油槽油孔,可再润滑】【/LP03:通用固体润滑脂(-20 至 +80 °C)】
技术研究
如您是工程师,需要对轴承进行研究、计算、选型等,都可以直接联系我,微信:caloc-cn。
产品咨询
如您对产品有任何需求,包括询价、采买以及替换等,都可以直接联系我,联系方式如下。
在线咨询咨询热线
138 6103 7112
138 6103 7112
电话咨询电话/微信(长按复制)
13504113081
13504113081
F
-
U
C
2
0
5
-
1
0
0
D
1
/
L
P
0
3
F-:不锈钢材质
UC:宽内圈,紧定螺钉式,带抛油环
2:系列:轻型承重
05:内径系列:25 mm 系列
-:内径分隔符
100:内径:1 in
D1:带油槽油孔,可再润滑
/LP03:通用固体润滑脂(-20 至 +80 °C)
F-:
不锈钢材质
UC:
宽内圈,紧定螺钉式,带抛油环
2:
系列:轻型承重
05:
内径系列:25 mm 系列
-:
内径分隔符
100:
内径:1 in
D1:
带油槽油孔,可再润滑
/LP03:
通用固体润滑脂(-20 至 +80 °C)
| 类型 | 外球面轴承 |
| 内孔型式 | 圆柱孔 |
| 轴承类型 | 滚珠轴承 |
| 材质 | 不锈钢 |
| 滚珠材质 | 钢 |
| 极限转速-脂润滑 | 8000转/分钟 |
| 密封型式 | 接触式 |
| 密封圈材质 | 丁腈橡胶 |
| 精度等级 | ISO Class 0 |
| 性能 | 标准 |
| 锁紧装置 | 紧定螺钉 |
| 润滑方式 | 可再润滑 |
| 基础外圈型号 | 205 |
| 基本额定静载荷 | 1760 lbf 7850 N 7.85 kN |
| 基本额定动载荷 | 3150 lbf 14000 N 14.00 kN |
| 附件 | 双面密封 |
| 重量 | 0.441 lb 0.200 kg |
| 应用温度范围 | -40 to 250 ºF -40 to 120 ºC |
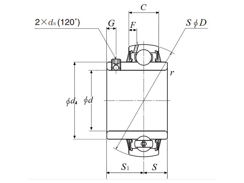
| 带紧定螺钉的外球面轴承,宽外圈 - 球面外圈 - 尺寸 | |
| d | 1 in 25.400 mm |
| D | 2.0472 in 52.000 mm |
| C | 0.6693 in 17.000 mm |
| B | 1.3425 in 34.100 mm |
| r | 0.0394 in 1.000 mm |
| ds | 10-32 UNF |
| G | 0.1969 in 5.000 mm |
| d4 | 1.3346 in 33.900 mm |
| S1 | 0.7795 in 19.800 mm |
| S | 0.5630 in 14.300 mm |
| F | 0.1772 in 4.500 mm |