您好!欢迎访问「常州高可智能科技有限公司」网站!

NTN E-4R16403轴承尺寸、参数、图纸、互换、价格

NTN E-4R16403轴承

更新时间:2026.04.26

轴承型号:E-4R16403,四列圆柱滚子轴承带空心滚柱&销式保持架,其基础型号为16403,前缀列表:【E-:表面渗碳钢】【4R:四列】

技术研究
技术研究 如您是工程师,需要对轴承进行研究、计算、选型等,都可以直接联系我,微信:caloc-cn。
产品咨询
产品咨询 如您对产品有任何需求,包括询价、采买以及替换等,都可以直接联系我,联系方式如下。
在线咨询咨询热线
138 6103 7112
电话咨询电话/微信(长按复制)
13504113081

NTN E-4R16403轴承代号说明

E
-
4
R
1
6
4
0
3
E-:表面渗碳钢
4R:四列
164:内径:820 mm
03:编号:03
E-:
表面渗碳钢
4R:
四列
164:
内径:820 mm
03:
编号:03

NTN E-4R16403轴承技术规格

类型 圆柱滚子轴承
内孔型式 圆柱孔
材质 外壳渗碳钢
保持架材质 销式保持架
精度 ISO Class 0(RBEC 1)
结构 四列
公差 ISO Class 0(RBEC 1)
注油孔 不带注油孔
径向游隙 CN
基本额定静载荷 16000000 lbf
71000000 N
71000.00 kN
基本额定动载荷 4860000 lbf
21600000 N
21600.00 kN
附件 开式
重量 6459.537 lb
2930.000 kg
应用温度范围 -40 to 250 ºF
-40 to 120 ºC

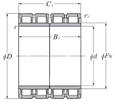
NTN E-4R16403轴承尺寸规格

四列圆柱滚子轴承带空心滚柱&销式保持架 - 尺寸
d 32.2835 in
820.000 mm
D 45.6693 in
1160.000 mm
B1 33.0709 in
840.000 mm
C1 33.0709 in
840.000 mm
Fw 35.8268 in
910.000 mm
r 0.2953 in
7.500 mm
r1 0.2953 in
7.500 mm
NTN E-4R16403轴承图纸
尺寸图
轴承推荐