您好!欢迎访问「常州高可智能科技有限公司」网站!

NTN DS208TT12轴承尺寸、参数、图纸、互换、价格

NTN DS208TT12轴承

更新时间:2026.04.26

轴承型号:DS208TT12,重型盘式轴承 - 方孔,球面外圈,4系列,其基础型号为208,前缀列表:【D:盘式轴承】【S:球面外圈】,后缀列表:【TT12:三层唇封,12:特殊特征代号】

技术研究
技术研究 如您是工程师,需要对轴承进行研究、计算、选型等,都可以直接联系我,微信:caloc-cn。
产品咨询
产品咨询 如您对产品有任何需求,包括询价、采买以及替换等,都可以直接联系我,联系方式如下。
在线咨询咨询热线
138 6103 7112
电话咨询电话/微信(长按复制)
13504113081

NTN DS208TT12轴承代号说明

D
S
2
0
8
T
T
1
2
D:盘式轴承
S:球面外圈
208:轴径:2.5 in
TT12:三层唇封,12:特殊特征代号
D:
盘式轴承
S:
球面外圈
208:
轴径:2.5 in
TT12:
三层唇封,12:特殊特征代号

NTN DS208TT12轴承技术规格

类型 重型盘式轴承
内孔型式 方孔
外圈类型 球面
材质 淬透钢
保持架型式 压制
保持架材质
滚珠材质
密封型式 接触式
密封圈材质 丁腈橡胶
精度 Class 0
结构 单列
径向游隙 C3
润滑方式 不可再润滑
基本额定静载荷 4000 lbf
17800 N
17.80 kN
基本额定动载荷 6540 lbf
29100 N
29.10 kN
附件 双面密封
重量 1.940 lb
0.880 kg
应用温度范围 -40 to 250 ºF
-40 to 120 ºC

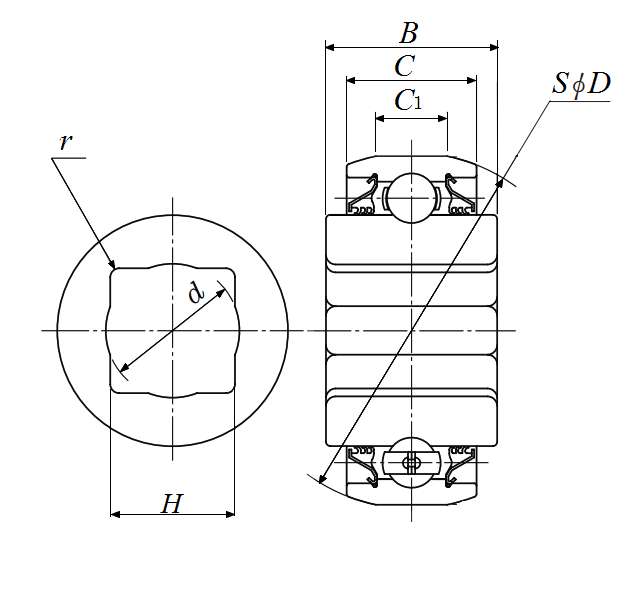
NTN DS208TT12轴承尺寸规格

重型盘式轴承 - 方孔,球面外圈,4系列 - 尺寸
H 1.1800 in
29.972 mm
D 3.3757 in
85.743 mm
C 1.1890 in
30.200 mm
B 1.4370 in
36.500 mm
d 1.2520 in
31.800 mm
H -公差 0.0050/-0.0050 in
0.127/-0.127 mm
C -公差 0/-0.0047 in
0/-0.120 mm
B -公差 0/-0.0047 in
0/-0.120 mm
轴径 1.125 in
28.575 mm
NTN DS208TT12轴承图纸
尺寸图
轴承推荐