您好!欢迎访问「常州高可智能科技有限公司」网站!

NTN CRV14X轴承尺寸、参数、图纸、互换、价格

NTN CRV14X轴承

更新时间:2026.04.26

轴承型号:CRV14X,凸轮从动螺柱式滚轮轴承 - 圆柱内径,CRV型

技术研究
技术研究 如您是工程师,需要对轴承进行研究、计算、选型等,都可以直接联系我,微信:caloc-cn。
产品咨询
产品咨询 如您对产品有任何需求,包括询价、采买以及替换等,都可以直接联系我,联系方式如下。
在线咨询咨询热线
138 6103 7112
电话咨询电话/微信(长按复制)
13504113081

NTN CRV14X轴承技术规格

类型 凸轮从动轴承
材质 淬透钢
螺纹类型 英制
保持架材质
极限转速-油润滑 11000转/分钟
极限转速-脂润滑 9000转/分钟
滚子型式 圆柱型
轴承类型 滚针轴承
外圈类型 圆柱型
附件 开式
驱动装置型式 插入式
结构 单列
扭矩 2.9 lb
·ft13 N
·m
基本额定静载荷 2990 lbf
13300 N
基本额定动载荷 1810 lbf
8050 N
重量 0.106 lb
0.048 kg
应用温度范围 -40 to 250 ºF
-40 to 120 ºC

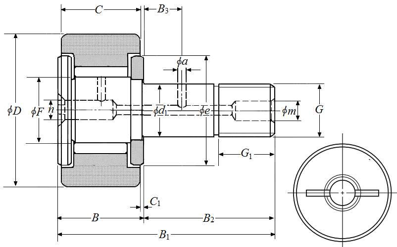
NTN CRV14X轴承尺寸规格

凸轮从动螺柱式滚轮轴承 - 圆柱内径,CRV型 - 尺寸
G 3/8-24UNF
B1 1.4370 in
36.500 mm
B2 0.8740 in
22.200 mm
D 0.8750 in
22.225 mm
D公差 0/-0.0020 in
0/-0.050 mm
B 0.5630 in
14.300 mm
C 0.5000 in
12.700 mm
C公差 0/-0.0051 in
0/-0.130 mm
d1 0.3750 in
9.525 mm
d1公差 0.0010/0 in
0.025/0 mm
G1 0.3740 in
9.500 mm
e 0.6102 in
15.500 mm
B3 0.2500 in
6.350 mm
a 0.1181 in
3.000 mm
F 0.4331 in
11.000 mm
C1 0.0315 in
0.800 mm
n 0.1575 in
4.000 mm
m 0.1575 in
4.000 mm
注油嘴尺寸 NIP-B4
NTN CRV14X轴承图纸
尺寸图
轴承推荐