您好!欢迎访问「常州高可智能科技有限公司」网站!

NTN CM-UCP315-214D1轴承尺寸、参数、图纸、互换、价格

NTN CM-UCP315-214D1轴承

更新时间:2026.04.26

轴承型号:CM-UCP315-214D1,轴承座,带紧定螺钉,铸造防尘盖,封闭端盖,UCP型

技术研究
技术研究 如您是工程师,需要对轴承进行研究、计算、选型等,都可以直接联系我,微信:caloc-cn。
产品咨询
产品咨询 如您对产品有任何需求,包括询价、采买以及替换等,都可以直接联系我,联系方式如下。
在线咨询咨询热线
138 6103 7112
电话咨询电话/微信(长按复制)
13504113081

NTN CM-UCP315-214D1轴承技术规格

类型 轴承座
轴承类型 滚珠轴承
锁紧装置 紧定螺钉
密封型式 接触式
密封圈材质 丁腈橡胶
轴承型号 UC315-214D1
轴承座型号 P315D1
壳体铸造型式 一体成型
端盖类型 一端开式,一端封闭式
性能 重型
基本额定动载荷 25400 lbf
113000 N
113.00 kN
基本额定静载荷 17300 lbf
77000 N
77.00 kN
极限转速 1900转/分钟
重量 20.000 lb
44.000 kg
应用温度范围 -40 to 250 ºF
-40 to 120 ºC
润滑方式 可再润滑

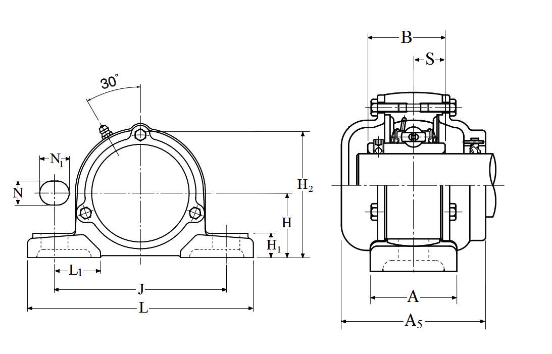
NTN CM-UCP315-214D1轴承尺寸规格

轴承座,带紧定螺钉,铸造防尘盖,封闭端盖,UCP型 - 尺寸
d 2.8750 in
73.025 mm
J 11.4062 in
290.0 mm
L 14.9687 in
380.0 mm
A 3.9375 in
100.0 mm
A5 5.9063 in
150.000 mm
H 3.9375 in
100.0 mm
H1 1.3750 in
35.0 mm
H3 8.2813 in
210.0 mm
L1 4.3437 in
110.0 mm
N 1.0625 in
27.0 mm
N1 1.5625 in
40.0 mm
B 3.2283 in
82.000 mm
S 1.2598 in
32.000 mm
F 0.4331 in
11.000 mm

NTN CM-UCP315-214D1轴承相关配件/适用型号

UC315-214D1 详细尺寸,d:73.025mm,dD:160mm,c:43mm,b:82mm,r:2.5mm
NTN CM-UCP315-214D1轴承图纸
尺寸图
轴承推荐