您好!欢迎访问「常州高可智能科技有限公司」网站!

NTN C-UKFL209D1 (when used with HS2309X)轴承尺寸、参数、图纸、互换、价格

NTN C-UKFL209D1 (when used with HS2309X)轴承

更新时间:2026.04.26

轴承型号:C-UKFL209D1(配合轴承:HS2309X),双螺栓菱形法兰式轴承座单元,铸造外壳,带紧定衬套,铸造防尘盖,开式端盖,UKFL型

技术研究
技术研究 如您是工程师,需要对轴承进行研究、计算、选型等,都可以直接联系我,微信:caloc-cn。
产品咨询
产品咨询 如您对产品有任何需求,包括询价、采买以及替换等,都可以直接联系我,联系方式如下。
在线咨询咨询热线
138 6103 7112
电话咨询电话/微信(长按复制)
13504113081

NTN C-UKFL209D1 (when used with HS2309X)轴承技术规格

类型 双螺栓菱形法兰式轴承座单元
轴承类型 滚珠轴承
锁紧装置 紧定衬套
密封型式 接触式
密封圈材质 丁腈橡胶
轴承型号 UK209D1
轴承座型号 FL209D1
壳体材质 铸铁
壳体铸造型式 一体成型
端盖类型 开式
性能 轻型
基本额定动载荷 7300 lbf
32500 N
32.50 kN
基本额定静载荷 4600 lbf
20400 N
20.40 kN
重量 5.500 lb
2.500 kg
应用温度范围 -40 to 250 ºF
-40 to 120 ºC
润滑方式 可再润滑

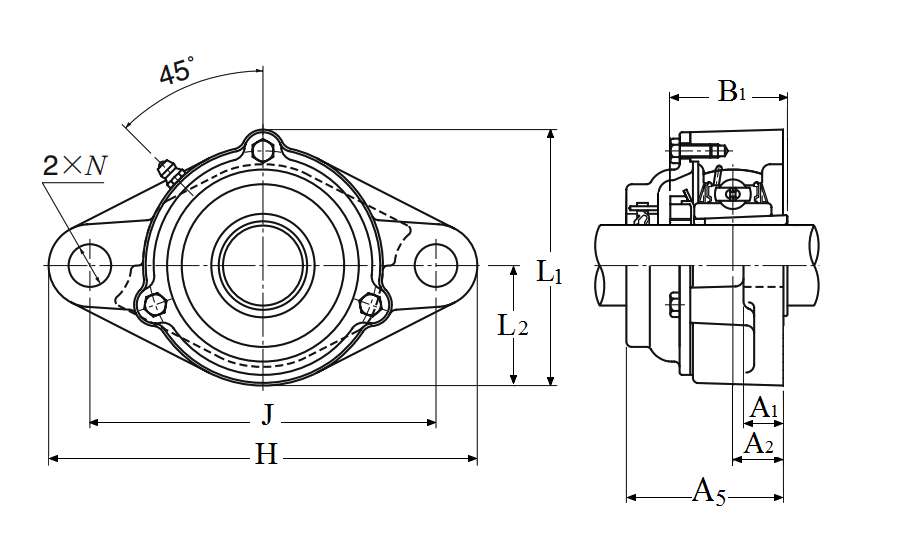
NTN C-UKFL209D1 (when used with HS2309X)轴承尺寸规格

双螺栓菱形法兰式轴承座单元,铸造外壳,带紧定衬套,铸造防尘盖,开式端盖,UKFL型 - 尺寸
d 1.6250 in
41.275 mm
H 7.4062 in
188.0 mm
L 4.2500 in
108.0 mm
L1 4.4375 in
113.0 mm
L2 2.1250 in
54.0 mm
J 5.8281 in
148.0 mm
A1 0.6250 in
16.0 mm
A2 0.8594 in
22.0 mm
A5 2.7500 in
70.000 mm
N 0.7500 in
19.0 mm
B1 1.9690 in
50.000 mm
F 0.1929 in
4.900 mm
注意 销售图纸反映的是不带紧定衬套的尺寸,实际上是带的,因此需要注意。如不能很好把握,可直接致电020-81178086咨询我们。

NTN C-UKFL209D1 (when used with HS2309X)轴承相关配件/适用型号

UK209D1 详细尺寸,d:45mm,dD:85mm,c:22mm,b:31mm
NTN C-UKFL209D1 (when used with HS2309X)轴承图纸
尺寸图
轴承推荐