NTN BST40X72-1BDFTT轴承尺寸、参数、图纸、互换、价格
NTN BST40X72-1BDFTT轴承
更新时间:2026.04.26
轴承型号:BST40X72-1BDFTT,滚珠丝杠用四列角接触推力球轴承 - DFTT配对,开式,三排承受轴向载荷,其基础型号为40X72,前缀列表:【BST:Ball Screw Support,即滚珠丝杠支撑】,后缀列表:【-1B:标准预紧】【DFTT:四列配对 \ / / /】
技术研究
如您是工程师,需要对轴承进行研究、计算、选型等,都可以直接联系我,微信:caloc-cn。
产品咨询
如您对产品有任何需求,包括询价、采买以及替换等,都可以直接联系我,联系方式如下。
在线咨询咨询热线
138 6103 7112
138 6103 7112
电话咨询电话/微信(长按复制)
13504113081
13504113081
B
S
T
4
0
X
7
2
-
1
B
D
F
T
T
BST:Ball Screw Support,即滚珠丝杠支撑
40:公称内径:40 mm
X:分隔符
72:外径:72 mm
-1B:标准预紧
DFTT:四列配对 \ / / /
BST:
Ball Screw Support,即滚珠丝杠支撑
40:
公称内径:40 mm
X:
分隔符
72:
外径:72 mm
-1B:
标准预紧
DFTT:
四列配对 \ / / /
| 类型 | 滚珠丝杠支承轴承 |
| 内孔型式 | 圆柱孔 |
| 材质 | 高碳铬钢 |
| 保持架型式 | 模塑 |
| 保持架材质 | 合成树脂 |
| 结构 | 四列 |
| 基本额定静载荷 | 47000 lbf 210000 N 210.00 kN |
| 基本额定动载荷 | 15100 lbf 67000 N 67.00 kN |
| 附件 | 开式 |
| 应用温度范围 | -40 to 250 ºF -40 to 120 ºC |
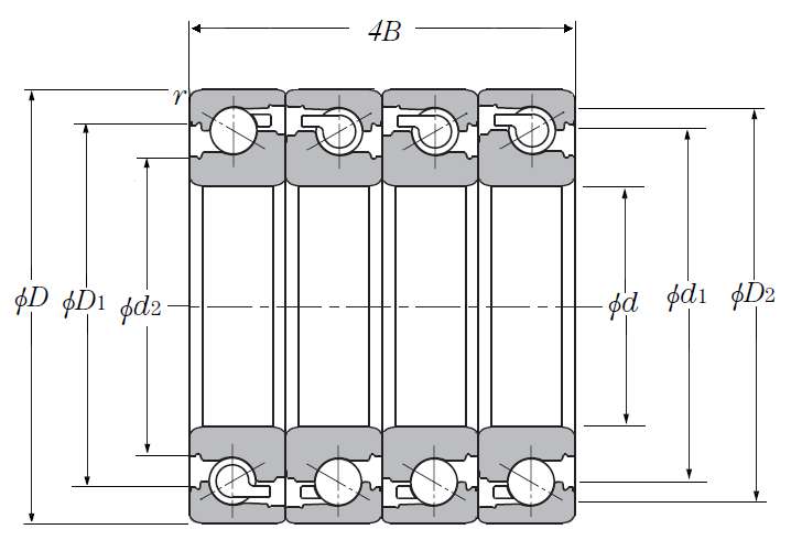
| 滚珠丝杠用四列角接触推力球轴承 - DFTT配对,开式,三排承受轴向载荷 - 尺寸 | |
| d | 1.5748 in 40.000 mm |
| D | 2.8346 in 72.000 mm |
| B | 0.5906 in 15.000 mm |
| 4B | 2.3622 in 60.000 mm |
| d1 | 2.0630 in 52.400 mm |
| d2 | 1.8976 in 48.200 mm |
| D1 | 2.3465 in 59.600 mm |
| D2 | 2.5079 in 63.700 mm |
| r | 0.0394 in 1.000 mm |
| r1 | 0.0236 in 0.600 mm |
| 接触角 | 60 º |