NTN BST17X47-1BDBTT轴承尺寸、参数、图纸、互换、价格
NTN BST17X47-1BDBTT轴承
更新时间:2026.04.26
轴承型号:BST17X47-1BDBTT,滚珠丝杠用四列角接触推力球轴承 - DBTT配对,开式,三排承受轴向载荷,其基础型号为17X47,前缀列表:【BST:Ball Screw Support,即滚珠丝杠支撑】,后缀列表:【-1B:标准预紧】【DBTT:四列配对 / \ \ \】
技术研究
如您是工程师,需要对轴承进行研究、计算、选型等,都可以直接联系我,微信:caloc-cn。
产品咨询
如您对产品有任何需求,包括询价、采买以及替换等,都可以直接联系我,联系方式如下。
在线咨询咨询热线
138 6103 7112
138 6103 7112
电话咨询电话/微信(长按复制)
13504113081
13504113081
B
S
T
1
7
X
4
7
-
1
B
D
B
T
T
BST:Ball Screw Support,即滚珠丝杠支撑
17:公称内径:17 mm
X:分隔符
47:外径:47 mm
-1B:标准预紧
DBTT:四列配对 / \ \ \
BST:
Ball Screw Support,即滚珠丝杠支撑
17:
公称内径:17 mm
X:
分隔符
47:
外径:47 mm
-1B:
标准预紧
DBTT:
四列配对 / \ \ \
| 类型 | 滚珠丝杠支承轴承 |
| 内孔型式 | 圆柱孔 |
| 材质 | 高碳铬钢 |
| 保持架型式 | 模塑 |
| 保持架材质 | 合成树脂 |
| 结构 | 四列 |
| 基本额定静载荷 | 25400 lbf 113000 N 113.00 kN |
| 基本额定动载荷 | 11800 lbf 52500 N 52.50 kN |
| 附件 | 开式 |
| 应用温度范围 | -40 to 250 ºF -40 to 120 ºC |
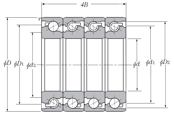
| 滚珠丝杠用四列角接触推力球轴承 - DBTT配对,开式,三排承受轴向载荷 - 尺寸 | |
| d | 0.6693 in 17.000 mm |
| D | 1.8504 in 47.000 mm |
| B | 0.5906 in 15.000 mm |
| 4B | 2.3622 in 60.000 mm |
| d1 | 1.1772 in 29.900 mm |
| d2 | 1.0118 in 25.700 mm |
| D1 | 1.4606 in 37.100 mm |
| D2 | 1.6220 in 41.200 mm |
| r | 0.0394 in 1.000 mm |
| r1 | 0.0236 in 0.600 mm |
| 接触角 | 60 º |